ES 175/2, ES 250/2, ETS 250 Reparaturhandbuch



Reparaturanleitung des MZ-Motorrades ES 175/2 & 250/2

Index

Vorwort

Über MZ-Motorräder lange Erklärungen abzugeben, halten wir für überflüssig. Im hohen Norden Finnlands,
unter der sengenden Sonne Afrikas, unter den gegensätzlichsten Betriebsbedingungen rollen die MZ zur
Zufriedenheit ihrer Besitzer!

Damit die Fahrzeuge auch nach längerem Betrieb – und der damit verbundenen Abnutzung – einsatzbereit und
zuverlässig bleiben, geben wir mit dieser Reparaturanleitung die erforderlichen Hinweise für unsere MZ-
Werkstätten im In- und Ausland.

Eine Instandsetzung ist Vertrauenssache in mehrfacher Hinsicht:

Zuverlässige Arbeit des Monteurs, davon hängt die Sicherheit des Fahrers ab.

Erkennen des tatsächlichen Fehlers, dadurch kein unnötiger Materialeinsatz und geringerer
Arbeitsaufwand.

Daraus resultierend: keine Nacharbeit, kurze Ausfallzeit und niedrigere Reparaturkosten!

Um das zu ermöglichen, beschreiben wir nicht reine Schlosserarbeit (handwerkliche Kenntnisse setzen wir als
selbstverständlich voraus), sondern vor allem die Erkennungsmerkmale verschiedener Schäden sowie deren
Ursachen.

Voraussetzung für eine fachgerechte Reparatur ist, immer mit den von MZ empfohlenen Sonderwerkzeugen und
Hilfsmitteln zu arbeiten. Besonders Selbstbedienungswerkstätten und Bastler möchten wir nachdrücklich auf
diese Empfehlung hinweisen, damit nicht durch falschen Optimismus erheblicher Mehraufwand an Arbeitszeit
und Material entsteht.

Unsere MZ-Vertragswerkstätten können die Sonderwerkzeuge vom MZ-Ersatzteilvertrieb beziehen – für die
Bastler besteht jedoch die Möglichkeit des Selbstbaues mit Hilfe der im Anhang gebrachten Skizzen.

Wir hoffen, den Mitarbeitern unserer Vertragswerkstätten im In- und Ausland sowie unseren MZ-Freunden in der
ganzen Welt mit diesem Nachschlagewerk die erforderlichen Kenntnisse zu vermitteln und wünschen viel Erfolg.

VEB MOTORRADWERK ZSCHOPAU
Abt. Kundendienst


INHALTSVERZEICHNIS

1 Technische Daten
1.1 Motor
1.2 Vergaser
1.3 Elektrische Anlage
1.4 Getriebe
1.5 Kraftübertragung
1.6 Fahrgestell
1.7 Maße und Masse (Gewicht)
1.8 Füllmengen
1.9 Höchstgeschwindigkeit
1.10 Bremsverzögerung
1.11 Diagramme
2 Betriebsmittel
2.1 Kraftstoff
2.2 Motorenöl
2.2.1 Mischungsverhältnis
2.3 Schmiermittel für Kraftübertragung
2.4 Schmiermittel für Fahrgestell
2.5 Stoßdämnpferfüllung
3 Demontage des Motors
3.1 Motor aus dem Fahrgestell ausbauen
3.2 Motor zerlegen
4 Motor zusammenbauen
4.1 Kurbelwelle
4.2 Getriebe
4.3 Schalteinstellung
4.4 Rechte Gehäusehälfte aufsetzen
4.5 Pleuel richten
4.6 Kolben und Zylinder montieren
4.7 Kupplung und Primärantrieb
5 Elektrische Anlage
5.1 Lichtmaschine überprüfen
5.2 Zündunterbrecher überprüfen und einstellen
5.3 Zündkerze und Kerzenstecker
5.4 Zündspule und Signalhorn
5.5 Scheinwerfer
5.6 Blinkanlage
5.7 Batterie
5.8 Lichtmaschine umpolen
5.9 Regler
5.10 Bremslichtschalter
5.11 Brems-Schluß-Kennzeichen-Leuchte
6 Ansaugsystem
6.1 Ansauggeräuschdämpfer mit Trockenluftfilter
6.2 Fehlersuche (Abmagerung)
6.3 Fehlersuche (Überfettung)
7 Vergaser BVF 26 N 1-1 und 28 N 1-1
7.1 Allgemeines
7.2 Beschreibung der BVF-Vergaser 26 N 1-1 und 28 N 1-1
7.3 Fehlersuche und Einstellung
7.4 Vergaser-Grundeinstellung
8 Fahrgestell
8.1 Kraftstoffbehälter abnehmen (Anbau von Beinschutzblechen)
8.2 Lenkungslager überprüfen und nachstellen
8.3 Lenker abnehmen
8.4 Schwingenlagerbolzen auswechseln
8.5 Vordere Silentblöcke auswechseln
8.6 Elastische Motoraufhängung hinten
8.7 Bremsen instandsetzen
8.8 Hinterradantrieb zerlegen
8.9 Radlager wechseln
8.10 Sekundärkette auflegen bzw. auswechseln
8.11 Tachoantrieb
8.12 Schalldämpfer reinigen
8.13 Kettendurchhang überprüfen
8.14 Hinterrad spuren
9 Federbeine instandsetzen
10 Verzeichnis der Sonderwerkzeuge
11 Selbstbauskizzen für Sonderwerkzeuge
12 Umrechnungstabelle
Anhang

Schaltplan (Elektrik)
Sprengbild Motor ES/TS 125/150
Sprengbild Motor ES 250/2


Bild 1. ES 175/2 – ES 250/2 (de Luxe) mit Sitzbank

Bild 2. ES 175/2 – ES 250/2 mit Einselsitzen

Bild 3. Motor im Querschnitt

Bild 4. Motor im Längsschnitt

1 Technische Daten


1.1 Motor


nächster Punkt ; Index

  ES 175/2 ES 250/2
Arbeitsverfahren Zweitakt (Umkehrspülung) Zweitakt (Umkehrspülung)
Kühlungsart Luft (Fahrtwind) Luft (Fahrtwind)
Zylinderzahl 1 1
Hub / Bohrung (in mm) 65 / 58 65 / 69
Hubraum 172 ccm 243 ccm
Verdichtungsverhältnis 9:1 8,5:1
Verdichtungsraum des Zylinderdeckels (im montierten Zustand) 21 +/- 0,5 ccm 33 + 1 ccm
Max. Leistung bei 5200…5500 U/min 13,5 DIN-PS = 9,9 kW oder 15 SAE-PS 5000…5300 U/min 17,5 DIN-PS = 12,9 kW oder 19,5 SAE-PS
Max. Drehmoment 1,85 kpm bei 5000…5100 U/min 2,5 kpm bei 4500…4700 U/min
Schmierung Mischungsverhältnis 33:1 mit Zweitakt-Motorenöl
Pleuellager käfiggeführtes Nadellager für Hubzapfen (K 28x35x20) und Kolbenbolzen (KK 18x22x24 F)
Kurbelwellenhauptlager 2 Lager 6305 c 003 f (geräuscharm)
1 Lager 6302
Schmierung der Kurbelwellenhauptlager durch Getriebeschmiermittel
Kolben mit 2 Kolbenringen, oberer Ring verchromt mit 3 Kolbenringen, oberer Ring verchromt
Kolbenmasse mit Ringen, Bolzen und Sicherungen 240 +5g 360 +5g
Zylinder (Breitrippen) mit umgossener Laufbuchse aus Sondergrauguß
Steuerzeiten in Grad Kurbelwinkel  
Einlaß 140° 140°
Überströmen 113° 113°
Auslaß 165° 160°

1.2 Vergaser


nächster Punkt ; Index

  ES 175/2 ES 250/2
Typ BVF 26 N 1-1 BVF 28 N 1-1
Durchlaß 26 mm 28 mm
Hauptdüse 100 107
Nadeldüse 65 67
Teillastnadel Nr. K 2 mit 5 Kerben K 3 mit 5 Kerben
Nadelstellung von oben 3…4 *) (4. für die Einfahrzeit) 3…4 *) (4. für die Einfahzeit)
Startdüse 90 100
Leerlaufdüse 35 40
Schwimmernadelventil 18 18
Leerlaufluftschraube 1 1/2 … 2 1/2 Umdr. offen 2 … 3 Umdr. offen
Übergangsbohrung 1,5 mm 1,5 mm
Leerlaufbohrung 0,8 mm 0,8 mm
*) Für die Einstellung ist neben dem Fahrverhalten das Kerzengesicht maßgebend!

1.3 Elektrische Anlage


nächster Punkt ; Index

  ES 175/2 ES 250/2
Zündung Batteriezündung Batteriezündung
Zündzeitpunkt 3,0 -0,5mm vor OT bei voll ausgedrückten Fliehgewichten = 22°15′ Kurbelwinkel 3,0 -0,5mm vor OT bei voll ausgedrückten Fliehgewichten = 22°15′ Kurbelwinkel
Unterbrecherkontaktabstand 0,3 +0,1mm 0,3 +0,1mm
Zündkerze Isolator M 14/260 Isolator M 14/260
Elektrodenabstand 0,6 mm 0,6 mm
Lichtmaschine Gleichstrom, 6 V, 60 W, Kurzzeitig 90 W
Ladekontrollampe (rot) im Tacho
Regler RSC 60/6, unter der linken Verkleidung
Batterie 6 V, 12 Ah (Bleisammler-Flachbatterie)
Zündspule 6 V, unter der linken Verkleidung
Scheinwerfer feststehend – 170 mm Lichtaustritt, Abblendlicht asymmetrisch
Abblendschalter am Lenker links
Brems-Schluß-Kennzeichen-Leuchte Bremslichtkontakt am hinteren Bremsschlüssel
Blinkleuchten beidseitig am Lenkerende (Schalter am Lenker rechts)
Blinkgeber im Scheinwerfergehäuse
Signalhorn unter dem Kraftstoffbehälter
Lichthupe wird durch Druckknopf unter dem Abblendschalter betätigt
Glühlampen  
Bilux 6 V, 45/40 W, Abblendlicht asymmetrisch
Standlicht 6 V, 4 W, Sockel BA 9 s
Bremslicht 6 V, 18 W, Sockel S 8,5
Schlußleuchte 6 V 5 W, Sockel S 8
Blinker 6 V, 18 W, Sockel S 8,5
Ladekontrolle 6 V, 1,2 W
Leerlaufanzeige 6 V, 1,2 W
Tachobeleuchtung 6 V, 1,2 W

1.4 Getriebe


nächster Punkt ; Index

  ES 175/2 ES 250/2
Schaltung Fußschaltung (Ratsche, Segment, Kurvenwalze)
Anzahl der Gänge 4
Getriebeabstufung  
1. Gang 2,77:1 = 13:36 Zähne
2. Gang 1,63:1 = 19:31 Zähne
2. Gang 1,8:1 = 15:27 Zähne (ab Motor-Nr. 4512291 und Motor-Nr. 4623112)
3. Gang 1,23:1 = 22:27 Zähne
4. Gang 0,92:1 = 25:23 Zähne
Lager auf Antriebswelle 6204 (20x47x14) und 6203 (17x40x12)
Lager auf Abtriebswelle 6203 (17x40x12) und 6204 (20x47x14)
Leerlaufanzeige elektrische Kontrollampe (grün) im Tacho

1.5 Kraftübertragung


nächster Punkt ; Index

  ES 175/2 ES 250/2
Kupplung auf linkem Kurbelwellenstumpf, im Ölbad. 5 Reibbelagscheiben mit Korkanteil
Übersetzung Motor – Getriebe  
durch schrägverzahnte Stirnräder 2,43 : 1 = 28 : 68 Zähne
Übersetzung Getriebe – Hinterrad durch Rollenkette 2,65 : 1 = 17 : 45 Zähne
12,7×7,75×8,51 mm (1/2×5/16 Zoll) 116 Glieder
2,14 : 1 = 21 : 45 Zähne
118 Glieder (Mit Seitenwagen: 2,65 : 1 = 17 : 45 Zähne)

1.6 Fahrgestell


nächster Punkt ; Index

  ES 175/2 ES 250/2
Rahmen Geschlossener Einrohrrahmen, geschweißt, Steuerkopf hart gelötet. Ansaugluft durch oberes Rahmenrohr, elastische Motoraufhängung in Silentblöcken
Lenkungswinkel 63°
Nachlauf 105 mm
Nachlauf mit Seitenwagen 65 mm
Art der Federung Langschwinge vorn und hinten
vorn Federbein mit ölhydraulischer Dämpfung, Federweg 142 mm
hinten Federbein mit ölhydraulischer Dämpfung, Federhärte verstellbar, Federweg 115 mm
Räder Drahtspeichenräder mit ungekröpften Speichen
Felgengröße  
vorn 1,85 Bx16
hinten 2,15 Bx16
Bereifung  
vorn 3,25-16 (bzw. 3,00-16)
hinten 3,50-16
Reifenluftdruck (at Überdruck)  
vorn 1,4 at 1,4 at
hinten 1,9 at für Solofahrt 1,9 at für Solofahrt
hinten 2,1 at für Soziusfahrt 2,1 at für Soziusfahrt und Seitenwagenbetrieb 2,6 at für vollbesetztes Gespann
Bremsen Vollnabenbremsen,
Durchmesser 160 mm
Backenbreite 30 mm

1.7 Maße und Masse (Gewicht)


nächster Punkt ; Index

  ES 175/2 ES 250/2
Radstand 1325 mm
Länge 2090 mm
Breite mit Spiegel 862 mm
Höhe 1060 mm
Bauchfreiheit, belastet 170 mm
Leermasse 155 kg 156 kg
Tragfähigkeit 165 kg 164 kg
Zulässige Gesamtmasse 320 kg 320 kg

1.8 Füllmengen


nächster Punkt ; Index

  ES 175/2 ES 250/2
Getriebe 750 ccm Getriebeöl GL 60 (legiert) für Sommer und Winter (im Ausland SAE 40)
Kraftstoffbehälter etwa 16 l Kraftstoff-Öl-Mischung 33 : 1
davon Reserve etwa 1,5 l
Federbeine  
vorn je 80 ccm Stoßdämpferöl ‚Globo‘
hinten je 70 ccm Stoßdämpferöl ‚Globo‘ Viskosität 1,65 … 1,92°E bei 50°C = 8 … 11 cSt/50°C

Im Ausland

nur Marken-Dämpfungsflüssigkeit gleicher Viskosität verwenden!

1.9 Höchstgeschwindigkeit


nächster Punkt ; Index

  ES 175/2 ES 250/2
Höchstgeschwindigkeit etwa 110 km/h etwa 120 km/h
Ermittelt wird die Höchstgeschwindigkeit unter folgenden Voraussetzungen:

Das Fahrzeug muß zur Meßfahrt bereits eingefahren sein – im Zweifelsfall mindestens 3000 km. Gefahren wird
auf ebener, trockener, in gutem Zustand befindlicher Beton- oder Rauhasphaltstraße. Kurze Steigungen und
Gefälle bis 0,5% sind zulässig. Die Windgeschwindigkeit darf nicht mehr als 3 m7s betragen. Die Meßstrecke ist
unmittelbar nacheinander in Hin- und Rückfahrt zu durchfahren, wobei der Fahrer eine sportliche Haltung
einnimmt und mit anliegendem Fahreranzug bekleidet ist.

1.10 Bremsverzögerung


nächster Punkt ; Index

7,1 m/s*s auf griffiger Betonfahrbahn (Autobahn). Mit neuwertigen Reifen und bei sachgemäßer Betätigung
beider Bremsen ergeben sich folgende Bremswege:

30 km/h: 4,9 m
60 km/h: 19,4 m
90 km/h: 44,0 m

Die Reaktionszeit des Fahrers ist dabei nicht berücksichtigt.

Die Fahrgestell-Nr. finden Sie hinten am rechten Rahmenausleger zur Befestigung des Hinterkotflügels.

Die Motor-Nr. ist auf dem Motorblock rechts eingeschlagen.

Änderungen in Konstruktion und Ausstattung sind im Interesse der technischen Weiterentwicklung
vorbehalten.

1.11 Diagramme


nächster Punkt ; Index

Bild 5. Leistung, spezifischer Verbrauch und Drehmoment der ES 175/2

Bild 6. Leistung, spezifischer Verbrauch und Drehmoment der ES 250/2

Bild 7. Straßenverbrauch der ES 175/2 im IV. Gang

Bild 8. Straßenverbrauch der ES 250/2 im IV. Gang

Bild 9. Beschleunigung der ES 175/2 und ES 250/2

2 Betriebsmittel


2.1 Kraftstoff


nächster Punkt ; Index

Entsprechend der konstruktiven Auslegung des Motor ist ein Vergaser-Kraftstoff von 79 Oktan – also VK
‚Normal‘ – zu verwenden.

Für das Ausland wird Kraftstoff mit ähnlicher Oktanzahl empfohlen. Bei hochoktanigen Kraftstoffen können
‚Überfettungs‘-Erscheinungen auftreten. Durch Tieferhängen der Teillast- (Düsen)-Nadel wird dieser Zustand
ausgeglichen.

2.2 Motorenöl


nächster Punkt ; Index

Beide Pleuellager, Zylinderlaufbahn und Kolben werden durch die einfache und betriebssichere
Mischungsschmierung mit Öl versorgt. Unsere jahrelange Erprobung veranlassen uns die ausschließliche
Verwendung des

Hyzet-Zweitaktmotorenöls

für den Motor vorzuschreiben. Dieses legierte Öl verringert die mechanische Abnutzung und das Ansetzen von
Verbrennungsrückständen.

Unseren MZ-Freunden im Ausland empfehlen wir ebenfalls nur Spezial-Zweitaktmotorenöle (wie Zwo-Ta-
Mix, Shell 2 T, Castrol 2T o. ä.) zu verwenden.

Stehen jedoch im Ausland nur unlegierte Motorenöle (also Mineralöl) zur Verfügung, dann darf nicht
zwischenzeitlich mit legiertem Zweitaktöl gefahren werden. Diesen Spezialölen sind Additives (Wirkstoffe)
beigemischt, die unter anderem das Ansetzen von Verbrennungsrückständen stark reduzieren. Bei
Wechselbetrieb werden die vom Mineralöl zurückgebliebenen Verbrennungsrückstände aufgelöst und
verursachen durch ihre schmirgelnde Wirkung vorzeitigen Verschleiß der Triebwerksteile!

2.2.1 Mischungsverhältnis


nächster Punkt ; Index

Bei Verwendung von Zweitaktmotorenöl ist das Mischungsverhältnis während und nach der Einfahrzeit 33 : 1.

Es werden immer 10l Kraftstoff mit 0,33l Zweitaktöl gemischt.

Im Ausland:

1 engl. Gallone (4,54 l) Benzin gemischt mit 0,23 engl. Pint Zweitaktöl.
1 US-Gallone (3,78 l) Benzin gemischt mit 0,23 US-Pint Zweitaktöl
(siehe auch Umrechnungstabelle)

Steht nur unlegiertes Motorenöl (Mineralöl) zur Verfügung, so muß 25 : 1 gemischt werden. Das sind 10 l
Kraftstoff und 0,4 l Öl = 4% Ölanteil!

2.3 Schmiermittel für Kraftübertragung


nächster Punkt ; Index

Als Füllmenge für Getriebe und Primärantrieb sind 0,75 l (750 ccm) Getriebeöl GL 60 erforderlich.

Viskosität: 7 … 9 °E/50°C = 53 … 68 cSt, entspricht etwa SAE 80 EP

Die vorgeschriebene Ölmenge genau einhalten, sonst wirkt die Kupplung als ‚Wirbelbremse‘. Überschüssiges Öl
wird dann durch die Entlüftungsbohrung im Einfüllstopfen herausgedrückt und verunreinigt den Motorblock.

Im Ausland:

Steht kein Getriebeöl mit obenstehender Viskosität zur Verfügung, dann unlegiertes Motorenöl SAE 40
(Mineralöl) als Getriebeschmiermittel verwenden.

Zur Schmierung der Sekundärkette ist ebenfalls Getriebeöl GL 60 zu verwenden.

Das Lager 6005 im Hinterradantrieb (Dämpfungskörper) wird wie die Lenkungs- und Radlager mit Wälzlagerfett
‚Ceritol‘ geschmiert.

2.4 Schmiermittel für Fahrgestell


nächster Punkt ; Index

Alle Schmierstellen des Fahrgestells (auch der Tachoantrieb!) werden durch eine ölgefüllte Fettpresse mit
Getriebeöl GL 60 abgeschmiert.

Irgendwelche Abschmierfett sind – z.B. für die Schwinglagerbolzen – absolut ungeeignet, weil nach kurzer Zeit
durch verharztes Fett die Schmierkanäle verstopft sind.

Nur die Lenkungs- und Radlager sowie die Bremsschlüssel erhalten Wälzlagerfett ‚Ceritol‘ K5 oder K3.

Tropfpunkt 145 … 155 °C. Einsetzbarkeitsgrenze -25 bis +95 °C.

Im Ausland:

Als Ersatz für Getriebeöl GL 60 ist ein Motoröl mit SAE 30 … 40 verwendbar.

Statt Wälzlagerfett Ceritol k5 kann ein säurefreies Wälzlagerfett (mit Tropfpunkt über 150 °C und Gefrierpunkt
bei -30 °C) verwendet werden. Maschinen- (Stauffer-)Fett ist absolut ungeeignet!

2.5 Stoßdämpferfüllung


nächster Punkt ; Index

Die vorderen Stoßdämpfer sind mit je 80 ccm, die hinteren mit je 70 ccm ‚Globo‘-Stoßdämpferöl gefüllt.
Viskosität: 1,65 … 1,92 °E/50°C = 8 … 11 cSt/50°C

Im Ausland:

Ist ‚Globo‘-Stoßdämpferöl nicht vorrätig, so kann auch ein anderes Markenerzeugnis eingefüllt werden – sofern
es die gleiche Viskosität hat.

Denn – liegt der Wert höher, gehen die Federbeine zu langsam in die Endlage zurück. Bei Fahrbahnstößen wird
die Federung zunehmend hart und härter! Liegt der Wert niedriger, dann wird die Rücklaufenergie der Federbein-
Druckfedern nur ungenügend abgefangen, die Stoßdämpfer sind damit wirkungslos – das Fahrzeug ’schwimmt‘!

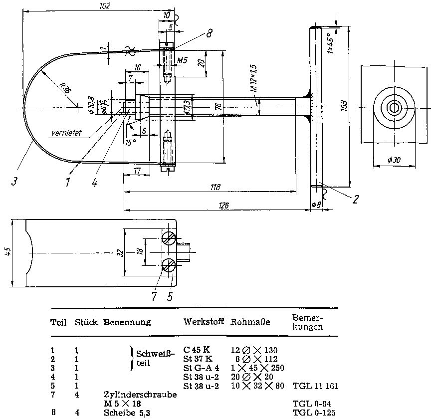
3 Demontage des Motors

Anmerkung: SW = Schlüsselweite, z.B. bedeutet ‚SW 17‘ Schlüsselweite 17 mm.

3.1 Motor aus dem Fahrgestell ausbauen


nächster Punkt ; Index

Bild 10

Lichtmaschinendeckel abnehmen und die vier Flachsteckanschlüsse von der Lichtmaschine abziehen. Sind deren
Kennfarben nicht mehr einwandfrei feststellbar, dann ist es – besonders für den Bastler – zweckmäßig, die
Leitungen durch Papierfähnchen zu markieren. Man spart das Durchmessen beim Zusammenbau und evtl. sogar
einen verschmorten Regler!

Halteschraube (1) des Ankers lösen, anschließend beide Schrauben (2) des Polgehäuses (3) entfernen. Das
Polgehäuse wird jetzt etwas vorgezogen und der Nockenträger (4) durch leichtes Kippeln gelöst – nicht
gewaltsam abdrücken!

Bild 11

Den Anker nur mit dem Abzieher 02-MW 39-4 abnehmen. Andere Hilfsmittel, z. B. ein Klauenabzieher,
verdrückt das Lamellenpaket oder beschädigt die Wicklung. Die Paßfeder (Flachkeil) abnehmen und
Kettenschloß entfernen. Tachoantrieb (1) abnehmen.

Bild 12

Schraube der hinteren Schalldämpfer-Haltestrebe sowie die Klemmschraube vorn am Zylindereinsatz,
anschließend die mittlere Befestigung lösen und die komplette Auspuffanlage abnehmen.

Zum Abnehmen des Vergasers die beiden Klemmschrauben am Ansaugstutzen (1) sowie den Klemmring am
Gummi-Ansaugrohr lockern.

Die Zylinderdeckelmuttern über Kreuz und etappenweise lösen – auch beim Abnehmen kann sich der Deckel
verziehen!

Mit Hilfe einer Drahtschlaufe die Kippständerfeder (2) aushängen, die beiden hinteren Motorhalteschrauben (3)
herausdrehen und die Muttern der vorderen Silentblöcke (4) lösen. Nachdem noch der Kupplungsbowdenzug
ausgehängt wurde (siehe Bild 84), kann der Motor herausgehoben werden.

Bild 13

In diesem Demontagezustand können die vorderen Silentblöcke (A) gewechselt werden.

Die hinteren Motorhalteschrauben sind dazu nicht zu lösen.

Beachte: die Warzen an den Silentblöcken müssen in die Ausschnitte im Motorhalteblech einrasten. Andernfalls
steht die Motorhalterung unter unzulässiger Vorspannung.

3.2 Motor zerlegen


nächster Punkt ; Index

Bild 14

Motor in der Montagevorrichtung 05-MV 197-0 fertig zum Zerlegen. Die vordere Gehäuseschraube M10x75 ist
vorher zu entfernen.

Bild 15

Mutter (SW 24) am Getriebekettenrad lösen, dabei den Gegenhalter 05-MW 45-3 einsetzen.

Bild 16

Getriebekettenrad mit Vorrichtung 05-MV 45-3 abzeihen. Dieser Abzieher ist auch zum Abnehmen des
68zähnigen Antriebsrades vorgesehen.

Bild 17

Fußschalthebel abnehmen (der Kickstarter verbleibt), die drei Schrauben des Abschlußdeckels herausdrehen und
Deckel mit Stellplatte (1) abnehmen. Gummidichtring und Kupferringe nicht beschädigen!

Motorbefestigungsbügel (2) abnehmen. Den Splint der Kronmutter am Kurbelwellenstumpf entfernen und die
Mutter durch einen Schlag gegen den Ring- oder Steckschlüssel lösen (Rechtsgewinde!).

Durch leichte Schläge mit einem Gummi- oder Plastehammer gegen die Ansätze (3) am Deckel wird dieser frei.
Es geht hierbei um den Haftsitz des Kupplungsstützlagers 6302 auf dem Kurbelwellenstumpf.

Bild 18

Kupplung mit Werkzeug 05-MW 20-4 abziehen.

Bild 19

28zähniges Antriebsrad mit Kupplungsmitnehmer abnehmen. Vorsicht – Nadellager nicht beschädigen!

Am 68zähnigen Antriebsrad den Gegenhalter 05-MW 15-3 ansetzen und die Mutter (SW 24) lösen.

Bild 20

Das Antriebsrad mit dem Abzieher 05-MV 45-3 abnehmen.

Bild 21

Zylinder abziehen und nach Entfernen der Sicherungsringe mit der Ausdrückvorrichtung 05-MW 190-3 den
Kolbenbolzen durchdrücken. Dabei beachten, daß der Pilz der Druckspindel Mitte Bolzen sitzt, sonst wird das
Nadellager unbrauchbar! Den Kolbenbolzen nicht durchschlagen, dabei wird das Nadellager meist beschädigt.
Bei entsprechender Behandlung ist es ‚langlebig‘.

Zur Wiederverwendung des Nadellagers in einen sauberen Lappen oder in Papier einwickeln. Sind Nadeln
herausgefallen, muß es erneuert werden.

Bild 22

Den Deckel am Schauloch zur Getriebekontrolle abnehmen.

Bild 23

Dichtkappe an Antriebswelle (A) und Lichtmaschinenlager (B) abnehmen. Paßhülse ( C) durchschlagen.

Alle 15 Gehäuseschrauben lösen – unter den Gummistopfen (Pfeile) finden Sie drei davon!

Oben am Gehäuse, an der 16. Schraubverbindung, eine Mutter (SW 10) mit Wellscheibe abnehmen.

Bild 24

Rechte Gehäusehälfte abziehen:

Trennschraube 05-MV 70-2 und Einlegring (mit gleicher Nr.) am Kurbelwellenstumpf – Trennschraube 05-MV
71-2 auf der Abtriebswelle ansetzen.

Beide Spindeln zugleich und gleichmäßig anziehen!

Diese Vorrichtungen müssen unbedingt zur Verfügung stehen – durch Schlagen oder Drücken beschadigte
Gehäuse werden nur durch kostspielige Nacharbeit wieder dicht!

Bild 25

Schaltarretierschraube (bei älterer Ausführung zwei) herausschrauben. Vorsicht – nicht die Kugel verlieren! Das
Zahnradsegment (1) mit dem kompletten Schaltmechanismus sowie den Führungsbolzen (2) herausnehmen. Nun
können beide Schaltgabeln und die Kurvenwalze (3) entfernt werden.

Anschließend mit einem Plastehammer die Komplette Antriebs- und Abtriebswelle (abwechselnd) durchschlagen.

Bild 26

Zum Herausdrücken der Kurbelwelle die Vorrichtung 05-MV 69-0 aufschrauben. In die Prismenführung die
Trennschraube 05-MV 70-2 einschieben. Diese wurde vorher zum Trennen des Gehäuses benutzt (siehe Bild 24).

Die Kurbelwelle nicht mit dem Hammer durchschlagen – derartig ‚mißhandelte‘ Wellen nimmt kein
Regenerierungsbetrieb an!

Alle Kugellager in der linken Gehäusehälfte sind durch Sprengringe gesichert (siehe auch Bild 3). Nicht
vergessen, diese vor dem Durchschlagen der Lager mit der Spitzzange herauszunehmen!

Gründliche Säuberung aller Motorenteile ist die Voraussetzung für zuverlässige Fehlersuche. Nicht nur
die Teile untersuchen, welche die vermutete Ursache zur Funktionsstörung sind, sondern alle
Verschleißteile kontrollieren und nachmessen. Nur so vermeiden Sie die Kosten einer zweiten Reparatur
nach kurzer Laufzeit!

4 Motor zusammenbauen


nächster Punkt ; Index

Bild 27

Die Dichtflächen der einwandfrei gesäuberten beiden Gehäusehälften, des Kupplungs- und Zylinderdeckels,
werden auf einer Tuschierplatte überprüft und, wenn erforderlich, durch Zwischenlegen eines Bogens
feinkörnigen Schmirgelleinens abgezogen.

Alle Flächen müssen einwandfrei plan – also ohne Scharten oder Dichtmittelrückstände – sein. Nur so haben Sie
die Gewißheit, daß der Motor dicht wird.

Steht keine Tuschieplatte zur Verfügung, genügt auch der Tisch einer Werkzeugmaschine, z. B. einer
Säulenbohrmaschine.

Bild 28

Als nächstes in die linke Gehäusehälfte den Sprengring (Seegerring) 65×1,8 für das Kurbelwellenlager sowie die
beiden Ringe (50×1,75 und 42×1,0) der Lager für Antriebs- und Abtriebswelle einsetzen. Anschließend auf einer
elektrischen Kochplatte die Gehäusehälfte bis auf etwa 100°C anwärmen. Das ist erforderlich, um alle
Kugellager zwanglos einsetzen zu können – ohne zu verkanten und dabei den Lagersitz zu beschädigen.

Nicht mit dem Schweißbrenner anwärmen; durch örtliche Überhitzung kann sich das Gehäuse verziehen!

4.1 Kurbelwelle


nächster Punkt ; Index

Bild 29

Während sich das Gehäuse langsam erwärmt, werden die einzubauenden Lager mit dem zugehörenden
Schlagdorn bereitgelegt. Auch der überprüfte Schaltsatz und die Kurbelwelle gehören dazu.

Ähnlich wie bei einer Operation muß jeder Handgriff sitzen und peinlichste Sauberkeit herrschen.

Als Kurbelwellenhauptlager nur Sonderlager mit der Bezeichnung ‚c 003 f‘ (geräuscharm) verwenden.

Reihenfolge der Montage:

Kurbelwellenlager 6305 mit Schlagdorn 05-MW 92-4
Kurbelwellendichtring mit 05-MW 91-4
Lager auf Abtriebswelle 6204 mit 05-MW 106-4
Lager auf der Antriebswelle 6203 mit 05-MW 106-4

Bei den Getriebelagern muß einmal die offene, einmal die geschlossene Käfigseite (Pfeile) nach innen zeigen.
Die inneren Sprengringe einsetzen.

Für die Kurbelwelle nur grüne (benzinfeste) Dichtringe verwenden!

Bild 30

Die Kurbelwelle der /2-Modelle sind typgebunden – die Welle der ES 250/2 kann nicht für die ES 175/2 (oder
umgekehrt) verwendet werden. Deshalb immer die Markierung (im Kreis) beachten. Seitlich an der Hubseite des
kurzen Wellenstumpfes ist das Fertigungsdatum vermerkt.

Bild 31

Nicht nur bereits gelaufene Kurbelwellen, sondern auch jede neue Welle ist auf einwandfreien Rundlauf zu
überprüfen. Sie kann durch unsachgemäßen Transport (heruntergefallen?) nicht mehr funktionstüchtig sein. Die
Motorreparatur wäre in diesem Fall nutzlos, weil ein stark vibrierender Motor nicht die zugesicherte Leistung
bringt.

Außerdem gibt es Schwierigkeiten bei der Einstellung des Zündzeitpunktes.

An allen Meßstellen beträgt der höchstzulässige Rundlaufschlag 0,03mm. Steht kein Rundlaufbock zur
Verfügung, kann auch zwischen den Körnerspitzen einer Drehmaschine geprüft werden.

Bild 32

Das Radialspiel des käfiggeführten Nadellagers im Pleuel muß um Neuzustand im Toleranzbereich von 0,015 …
0,030 mm liegen.

Der maximale Verschleißwert liegt bei 0,50 mm.

Axialspiel:

  1. zwischen Hubscheibe und Nadellager 0,50 bis max. 0,80 mm.
  2. zwischen Hubscheibe und großem Pleuelauge 2,10 bis max. 2,50 mm.

Die Pleuelstange wird oben im kleinen Pleuelauge geführt, deshalb unten die etwas größere Axialluft. Siehe auch
Bild 65.

Bild 33

Inzwischen haben sich die kalt eingesetzten Kugellager vom heißen Gehäuse her erwärmt. Zweckmäßig ist,
nochmals etwas nachzuwärmen. Dann läßt sich die Kurbelwelle durch das Lager bis zum Ansatz schieben. Wenn
nicht, dann das Oberteil der Kupplungs-Spannvorrichtung 05-MW 150-2 (zum Demontieren der Kupplung) mit
einem passenden Rohrstück aufsetzen und die Welle bis zum Ansatz ziehen. Auf keinen Fall auf die Welle
schlagen! Den Kurbelwellestumpf vorher leicht einölen!

4.2 Getriebe


nächster Punkt ; Index

Bild 34

Alle Klauen der Schalträder auf Abnutzung untersuchen. Die 5°-Hinterschneidung müssen noch zu der Viertel
tragen, andernfalls muß dieses Teil und das Gegenrad erneuert werden. Nicht die Schaltarretierung, sondern diese
Hinterschneidung halten unter Belastung die Räder im Eingriff!

Für die beiden Schaltgabeln liegt die Verschleißgrenze bei 0,4 mm.

Blau angelaufene Teile sind unbedingt auszuwechslen.

Für den 2. Gang nur noch die Zahnräder 15/27 (1,8 : 1) verwenden (günstigere Abstufung, weniger
Schaltgeräusche).

Bild 35

Schaltsatz im Schnitt:

Die beiden ’schwimmenden‘ Laufbuchsen (1) müssen sich leicht in den Zahnrädern und auf den Wellen drehen
lassen.

Zeigen diese sowie die Anlaufscheiben (2) nach längerer Laufzeit starke Abnutzung oder Freßstellen, dann sind
diese Teile zu erneuern.

Bei der montage auf Festsitz der beiden Sprengringe (3) achten. Ein lockerer Ring nutzt sich während des
Betriebes schnell ab – bis er aus der Nut herausspringt. Es sind dann zwei Gänge im Eingriff – das Getriebe
blockiert!

  1. Antriebswelle
  2. Abtriebswelle

Bild 36

Das Heiße Gehäuse erwärmt auch die beiden Getriebelager. Mit einem Plastehammer werden nun die komplette
An- und Abtriebswelle gemeinsam – wie auf Bild 35 gezeigt – durch abwechselnde, leichte Schläge bis zum
Aufsitzen am Lagerbund niedergeklopft. Daß dabei vielleicht die schwimmende Laufbuchse der Abtriebswelle
axial geklemmt wird, ist im Moment belanglos – ausgeglichen wird nach aufsetzen der rechten Gehäusehälfte.
Der Kontakt für die Leerlaufanzeige wird auf richtigen Abstand überprüft und bei Bedarf nachgebogen.

Bild 37

Anschließend werden die beiden Schaltgabeln eingesetzt und der Führungsbolzen durchgeschoben, dabei unten
eine Unterlegscheibe 8x13x1,5 einlegen. Gleichzeitig wird auch die Schaltwalze mit den Kurvenbahnen in die
Zapfen der Schaltgabeln eingeführt und niedergedrückt. Wenn das nicht wunschgemäß geht, dann den
Führungsbolzen nochmals etwas anheben.

(Der Getriebesatz im Bild ist von unten gesehen, um die Schaltgabeln zu zeigen.)

Bild 38

Die Schaltarretierschraube in das Gehäuse einschrauben, die Kugel rastet in die V-förmige Einfräsung der
Kurvenwalze ein. Nur die Originaldruckfeder mit eingerollten Enden verwenden, sonst verklemmt sich die Kugel
darin.

Durch Drehen der Schaltwalze mit dem Profilsteckschlüssel 02-MW 60-3 wird überprüft, ob bei allen vier
Gängen die Klauen voll im Eingriff stehen. Sollte ein Schaltrad unter ruck anliegen, so muß die betreffende
Schaltgabel etwas nachgerichtet werden, damit sie nicht durch dauerndes Schleifen blau anläuft.

Bild 39

Am Schaltstück (mit Schaltwelle) ist zu überprüfen, ob die Rückholfeder (1) für den Fußschalthebel und die
Schaltklinkenfeder (2) nach über 50000 Fahrkilometern noch die erforderliche Federspannung haben. Im
Zweifelsfall mit Neuteilen vergleichen.

Die Verschleißstellen (Pfeile) der Schaltklinken beachten!

4.3 Schalteinstellung


nächster Punkt ; Index

Bild 40

Ein Zahn der Schaltwalze ist schräg angeschliffen. Am Schaltsegment (a) ist ein Zahngrund durch einen Körner
markiert. Beide Markierungen müssen übereinstimmen.

(Der Körner wurde durch einen Kreidestrich sichtbar gemacht.) Probeweise die rechte Gehäusehälfte auflegen,
um das Axialspiel der Schaltwalze (mit Anlaufscheibe!) zu überprüfen. Höchstzulässig sind 0,2 mm.

Bild 41

Die Innenringe beider Getriebelager werden auf einen Anwärmpilz (1) gesteckt und auf etwa 70°C erhitzt. Eine
Asbestplatte verhütet den Wärmeübergang zum Lageraußenring.

Durch leichtes Klopfen – unter Verwendung des Schlagdorns 05-MW 106-4 – werden die Lager zum Anliegen
gebracht.

Kräftige Prellschläge schaden den Kugellagern, deshalb nicht kalt montieren.

Die Unterlegscheibe 8x13x1,5 auf den Führungsbolzen (2) und die Anlaufscheibe 10x24x1,5 auf die Schaltwalze
(3) auflegen. Wurden bei der Demontage hier noch Ausgleichsscheiben (0,2 mm) vorgefunden, dann wieder
beilegen.

Alle Wellen und Zapfen leicht einölen.

4.4 Rechte Gehäusehälfte aufsetzen


nächster Punkt ; Index

Bild 42

Durch die markierten Bohrungen wird das lichtmaschinenseitige Kurbelwellenlager mit Getriebeschmiermittel
versorgt.

Bei der Reinigung der Motorteile auf einwandfreien Durchgang beider Kanäle achten!

Bild 43

In die bis auf etwa 100°C erwärmte rechte Gehäusehälfte wird nun der Radialdichtring 30x62x10 so eingesetzt,
daß die Dichtlippe nach außen zeigt (siehe auch Bild 3). Dazu den Schlagdorn 05-MW 91-4 benutzen. Dessen
überstehender Bund garantiert, daß der Dichtring nicht zu weit durchgeschlagen wird. Wäre das der Fall, würde
beim Einschlagen des Lagers 6305 der Dichtring zurückgeprellt und dann an der Hubscheibe schleifen. Bitte
beeilen, damit für die nächsten Arbeitsgänge das Gehäuse noch warm genug ist!

Bild 44

Die Dichtfläche des Gehäuses wird nun dünn und gleichmäßig (nicht die Gewindelöcher verschmieren!) mit
Dichtmittel bestrichen, die Gehäusehälfte aufgesetzt und durch leichte Schläge mit dem Plastehammer in Nähe
der Getriebelager zum Aufliegen gebracht. Mit einem aufgesetzten Dorn wird die Paßhülse vorn am Gehäuse
eingeschlagen, damit beide Gehäusehälften fixiert sind.

Bild 45

Besonders hier muß sorgfältig und schnell montiert werden. Warum – ist auf den nächsten Bildern zu sehen!

Der Innenring des Lagers 6305 muß mit dem Anwärmpilz (oder einem erhitzten Dorn) angewärmt werden, damit
der warme Innenring auf dem kalten Wellenstumpf und der kalte Außenring im erhitzten Gehäuse leicht gleitet.

Dazu wird der Schlagdorn 05-MW 92-4 benutzt. Dessen Stirnseite hat einen, dem Durchmesser des
Lagerinnenringes entsprechenden Ansatz. Damit wird ein axiales Verdrücken des Lagers (Bild 46) vermieden.

Bild 46

Es wurde nicht mit dem Schlagdorn montiert, sondern mit einen Rohrstück auf den Außenring geschlagen. Die
Kurbelwelle steht jetzt axial unter Druck, weil das Lager zu weit (gefühllos) vorgeschlagen wurde. Den Innenring
drückt die in geringem Maße federnde Kurbelwelle zurück. Damit ist auch das Radialspiel (Schmierfilm!) des
linken Lagers mit aufgehoben. Die Kugeln tragen nicht mehr radial, sondern laufen seitlich an – bis zum
vorzeitigen Ausfall erzeugen sie ein heulendes, pfeifendes Geräusch!

Bild 47

War der Einschlagdruck noch stärker, dann wird die Kurbelwelle seitlich zusammengedrückt. Damit hat sie
‚Rundlaufschlag‘ und ist aus folgenden Gründen unbrauchbar:

  1. Der Unterbrecher hebt nicht mehr am vorgesehenen Punkt ab bzw. der Verstellbereich der
    Unterbrechergrundplatte reicht nicht aus.
  2. Dieser Rundlaufschlag löst starke Motorvibrationen aus, demzufolge kann die zugesicherte Leistung nicht
    mehr erreicht werden. Die elastische Motoraufhängung kann diesen Fehler nicht aufheben. Im Gegenteil – da
    das Fahrgestell nicht mehr als ‚Schwingungsdämpfer‘ wirkt, sind die Folgeerscheinungen noch krasser.

Bild 48

Wird ein Lager bei kaltem Gehäuse und nicht angewärmtem Innenring gewaltsam eingeschlagen, besteht
außerdem noch die Gefahr, daß der Außenring verkantet, d. h. nicht achsparallel sitzt.

Ein derartiges Gehäuse ist unbrauchbar, denn auch ein richtig montiertes Lager würde durch den beschädigten
Lagersitz wieder verkantet sitzen! (Zur besseren Demonstration sind die drei Skizzen etwas übertrieben!)

Bild 49

Mit gut passendem Schraubenzieher (möglichst mit Brustleier) alle 15 Gehäuseschrauben anziehen. Auch die
Mutter SW 10 nicht vergessen (siehe Bild 23).

Richtige Reihenfolge beachten:

In Gehäusemitte anfangen, abwechselnd rechts und links und über Kreuz anziehen!

Dabei beeilen, damit für den nächsten Arbeitsgang das Gehäuse noch warm ist.

Bild 50

Auf die Schaltwelle die Führungshülse (1) 05-MV 49-4 und den Schalthebel aufstecken. Die Getriebewelle
drehen und dabei alle Gänge probeweise durchschalten.

Am Gehäusedurchbruch (2) für das Starterrad wird kontrolliert, ob die Laufbuchse im Zahnrad für den I. Gang
(Fensterrad) die erforderlichen 0,2 mm Axialspiel hat.

Durch das Schauloch (3) das Zahnrad IV. Gang prüfen. Auch hier 0,2 mm Axialspiel der Laufbuchse.

Durch einen leichten Schlag (Kupfer- oder Messingdorn!) auf die Antriebs- bzw. Abtriebswelle wird das
erforderliche Axialspiel hergestellt. Bei letzterer muß die Welle durch den Lagerinnenring wieder zurückgeklopft
werden. Bild 35 beachten!

Bild 51

Den Radialdichtring 17x30x7 in der Dichtkappe (1) überprüfen und die Dichtflächen säubern, evtl. auf
Schmirgelleinen abziehen. Mit einem Tiefenmaß bzw. einer Schiebelehre wird der Abstand zwischen
Lageraußenring und Dichtkappe ermittelt und durch Beilegen von Distanzscheiben (2) ein Axialspiel von 0,2 mm
festgelegt. Dabei die Dicke der Papierdichtung mit berücksichtigen.

In gleicher Weise wird mit der Dichtkappe an der Abtriebswelle verfahren.

Beide Dichtkappen gleichmäßig und fest anziehen.

Ab II. Quartal 1969 ist der Lichtmaschinenseitige Kurbelwellenstumpf von 17 mm auf 20 mm verstärkt. Bei
Einbau dieser Kurbelwelle ist ein Radialdichtring 20x30x7 und eine Dichtkappe mit 20 mm Durchmesser
erforderlich, bzw. auf 20,2 mm auszudrehen.

4.5 Pleuel richten


nächster Punkt ; Index

Bild 52

Durch unsachgemäßen Transport bzw. bei einer wiederverwendeten Kurbelwelle durch Herausschlagen des
Kolbenbolzens kann das Pleuel schief oder verdreht sein.

In diesem Zustand würde nach kurzer Laufzeit die Nadellagerung des Pleuels durch einseitige Belastung
ausfallen.

Deshalb muß das kleine Pleuelauge überprüft und evtl. nachgerichtet werden.

Am Spalt zwischen Dorn und Lineal ist die Achsparallelität der Kurbelwelle zum Kolbenbolzen ersichtlich
(Verdrehung).

Bild 53

So wird geprüft, ob das Pleuel winklig steht.

Lief der Motor bereits einige Zeit, so ist schon am Laufbild des Kolbens ersichtlich, ob das Pleuel gerade ist.

Dorn und Lineal sind unter Nr. 05-Ml 24-3 erhältlich.

Sollte bereits das Lineal mit 15-, 18- oder 20-mm-Dorn zur Verfügung stehen, kann auch der 22-mm-Dorn
einzeln bezogen werden.

Bild 54

Zum Nachrichten immer gegenhalten. Nicht das ganze Pleuel verdrücken – es geht meist wieder in die alte Lage
zurück.

Den Deckel für das Schauloch auf das Getriebegehäuse auflegen und verschrauben.

4.6 Kolben und Zylinder montieren


nächster Punkt ; Index

Bild 55

Damit nicht irgendwelche Fremdkörper in das Kurbelgehäuse gelangen können, werden anschließend Kolben
und Zylinder montiert. Die Signierung auf dem Kolbenboden bedeutet:

  1. Pfeil – muß im eingebauten zustand zum Auslaßfenster zeigen.
  2. 68,97 – das ist das ‚Nennmaß‘ des Kolbens, d. h. dieser hat 68,97 mm Durchmesser. Mit einem Zylinder
    gepaart, der mit ‚+1‘ signiert ist, ergeben sich 0,04 mm Einbauspiel.

Bild 56

Gemessen wird das ‚Nennmaß‘ an der Unterkante Kolbenhemd. Der Kolbenschaft ist konisch – an der Ringpartie
ist die schwächste Stelle.

  Einbauspiel
(Kolben-Zylinder)
Verschleißwert
(maximal)
ES 175/2 0,04 mm 0,10 mm
ES 250/2 0,04 mm 0,10 mm

Übergrößen für beide Typen:

8 Übermaße – jeweils um 0,25 mm dicker. Mehr als 2 mm darf nicht ausgeschliffen werden, weil sich dann evtl.
die Zylinderlaufbuchse verformt.

Bild 57

Im Markierungskreis die Signierung des Zylinders:

 0 = Vollmaß (58,00 bzw. 69,00 mm)
+1 = 0,01 mm über Vollmaß
+2 = 0,02 mm über Vollmaß

Das Passungsbeispiel zu Bild 55 (Punkt b) beachten!

Bild 58

Kolben – Laufbilder:

  1. Dieser Kolben hat geklemmt, weil der Kolbenbolzen zu stramm in den Bolzenaugen saß! Klemmstellen
    werden nur mit einem Korundstein (Schmirgelfeile) nachgearbeitet. Den Stein mit Kraftstoff – Öl – Mischung
    anfeuchten. Keinesfalls Schmirgelpapier verwenden.
  2. Laufbild nach 18000 km. Das Pleuel ist einwandfrei ausgewinkelt; der leichte Schatten rechts (punktiert) wird
    durch die Führung der Pleuelstange oben am Kolbenbolzen verursacht. Das Laufbild ist normal!

Bild 59

Wird ein gebrauchter Kolben wieder verwendet, so sind die Kolbenringe auf Leichtgängigkeit in den Ringnuten
zu untersuchen. Besondere Aufmerksamkeit auf den oberen Ring richten – dieser bekommt die meiste Wärme.
Bei anormal hoher Betriebstemperatur durch falsche Vergaser- oder Zündeinstellung kann er sich auch verziehen
– erkennbar an der wellenförmigen Anlagefläche.

Beim Abnehmen der Kolbenringe unbedingt beachten:

Jeder Ring kommt wieder in die Nut (auch nicht seitenverkehrt!), in der er vorher war und sich eingelaufen hat.

Ringnutbreite Verschleißwert
2 (+0,06 / +0,03) mm 2,10 mm

Ringe mit zuviel Höhenspiel sind nur noch bedingt gasdicht und erzeugen ein ’schwirrendes‘ Geräusch. Kolben
mit lockeren Kolbenring – Arretierstiften sind unbrauchbar.

Bild 60

Die Kolbenringe möglichst nicht abnehmen. Muß das doch geschehen, weil ein Ring festsitzt, dann nur mit der
Kolbenringzange 05-MW 141-4 und dem dazugehörenden Spannring von 58 oder 69 mm (siehe
Selbstbauskizze). Nur mit Spannring deshalb, weil sich sonst beim Abnehmen der Kolbenringe (bedingt durch
sein Rechteckprofil) nicht nur zur Elypse verformen würde, sondern auch nicht mehr plan ist. Er klemmt dann in
der Ringnut.

Bild 61

Zum Reinigen der Ringnut ist ein angeschärftes Kolbenringstück zu verwenden, weil mit Schaber oder
Schraubenzieher die Ringnut erweitert würde.

Lose schuppenartige Rückstände auf dem Kolbenboden werden mit einer Drahtbürste entfernt. Die feste Schicht
bleibt, weil sie den Kolben vor unerwünschter Wärmeaufnahme schützt.

Das gleiche gilt für Rückstände an Ringpartie und Kolbenhemd.

Bild 62

Kolbenringsto&szlig: im Neuzustand: 0,2 mm

Verschleißwert: 1,6 mm

Zu wenig Ringstoß verklemmt die Kolbenringe – damit erhöhte Reibung und starker Verschleiß!

Die Ansicht, daß durch Einbau eines Satzes neuer Kolbenringe die Leistung des längere Zeit laufenden Motors
verbessert wird, ist falsch. Entsprechend der Fahrleistung ist die Zylinderbohrung mehr oder weniger oval, die
neuen Ringe aber sind rund. Demzufolge schlagen die Verbrennungsgase durch, dadurch werden die Ringe
aufgeheizt, verziehen sich und sitzen dann evtl. sogar fest.

Bild 63

Trotz Feinstbearbeitung der Zylinderbohrung und des Kolbenschaftes sind deren Fertigungsmaße toleriert. Und
zwar mit jeweils 0,01 mm

+0,004mm / -0,006 mm für jedes Teil

Damit nicht obere Toleranzgrenze des Kolbens und untere des Zylinders (oder umgekehrt) zusammenkommen,
müssen beide Teile gemessen und entsprechend dem vorgeschriebenen Einbauspiel von 0,04 mm ausgesucht
werden. Andernfalls kann es vorkommen, daß das Einbauspiel – trotz richtiger Signierung – einmal 0,03 mm zum
anderen 0,05 mm beträgt. Der Verschleißwert (Bild 56) bezieht sich auf die Meßwerte im oberen und unteren
Viertel der Zylinderlaufbahn.

In der Mitte zwischen den Kanälen ist die Abnutzung naturgemäß etwas höher.

Bild 64

Um Meßfehler auszuschließen, muß das Innenmeßgerät mit einem Lehrring (oder hilfsweise Mikrometer) auf das
in Frage kommende Grundmaß von 58,00 oder 69,00 mm genau eingestellt werden.

Eventuelle Maßabweichungen des Lehrringes (Kontrollvermerk!) berücksichtigen!

Bild 65

  1. Axialspiel Nadelkäfig – Hubscheibe
  2. Axialspiel Pleuelstange – Hubscheibe

Die Nadellagerung des Kolbenbolzens muß annähernd spielfrei (0,002 bis max. 0,004 mm) sein, jedoch ohne
fühlbar zu klemmen. Um diese Passung einhalten zu können, steht ein Nadelsortiment mit folgenden Abmaßen
zur Verfügung:

  • 1 Stück mit mittlerem Abmaß minus 0,001 mm
  • 2 Stück mit mittlerem Abmaß minus 0,003 mm
  • 2 Stück mit mittlerem Abmaß minus 0,005 mm
  • 2 Stück mit mittlerem Abmaß minus 0,007 mm
  • 1 Stück mit mittlerem Abmaß minus 0,009 mm

Da es werkstattmäßig dafür kaum Meßmöglichkeiten gibt, muß nach Gefühl eingepaßt werden (siehe oben!).

Das 8-Stück-Sortiment ist vom MT-Ersatzteilvertrieb zu beziehen.

Im Gegensatz zu den bisherigen Ausführungen mit Pleuelbuchse wird bei den nadelgelagerten Kolbenbolzen die
Pleuelstange oben im Kolben axial geführt. Ein Ausgleich ist durch ein größeres Axialspiel am großen
Pleuelauge möglich.

Deshalb können nur Original-/2-Kolben verwendet werden.

Kolbenbolzen
18 +0,0025/-0,0050
Pleuelbohrung = 22 +0,007/-0,016
  Kennzeichnung
gelb
+0,007 bis 0,004
Kennzeichnung
schwarz
+0,003 bis 0
Kennzeichnung
grün
-0,001 bis -0,004
Kennzeichnung
weiß
-0,005 bis -0,008
Kennzeichnung
blau
-0,009 bis -0,012
Kennzeichnung
braun
-0,009 bis -0,016
Kennzeichnung
Toleranz
in µm
Nadel-
Abmaß
µm
Radial-
Spiel
µm
Nadel-
Abmaß
µm
Radial-
Spiel
µm
Nadel-
Abmaß
µm
Radial-
Spiel
µm
Nadel-
Abmaß
µm
Radial-
Spiel
µm
Nadel-
Abmaß
µm
Radial-
Spiel
µm
Nadel-
Abmaß
µm
Radial-
Spiel
µm
grün
+2,5
0
0
-2
1,5
bis 11
-2
-4
1,5
bis 11
-4
-6
1,5
bis 11
-6
-8
1,5
bis 11
       
weiß
0
-2,5
0
-2
4
bis13,5
-2
-4
4
bis13,5
-4
-6
4
bis13,5
-6
-8
4
bis13,5
-8
-10
4
bis13,5
   
schwarz
-2,5
-5,0
    0
-2
2,5
bis12
-2
-4
2,5
bis12
-4
-6
2,5
bis12
-6
-8
2,5
bis12
-8
-10
2,5
bis12

Bild 66

Kolben und Führungsdorn 05-MW 19-4 werden auf etwa 40 … 50°C erwärmt, das ausgesuchte Nadellager geölt
und eingesetzt.

Den Kolben auf die Unterlage 05-MW 16-4 aufsetzen und mit der konischen Seite des Führungsdorns fixieren.

Achtung – der Pfeil auf dem Kolbenboden muß unbedingt in Richtung Auslaß zeigen!

Jetzt den kalten Kolbenbolzen schnell einschieben – geht dieser nicht bis zur Endlage, dann nicht klopfen,
sondern mit der Ausdrückvorrichtung 05-MV 190-3 drücken.

Bild 67

Die Sicherungsringe werden so eingesetzt, daß die Ösen nach oben oder unten zeigen – nicht seitwärts. Auf
einwandfreien Festsitz in den Nuten ist besonders zu achten.

Immer neue Sicherungsringe verwenden.

Bild 68

Um die Zylinderfußdichtung vor Beschädigung zu schützen, wird sie mit zwei Fettupfen am Zylinder angeklebt.
Nun die Zylinderlaufbahn dünn mit Motorenöl einreiben und den Zylinder aufsetzen. Dazu müssen die
Kolbenringe in der richtigen Stellung sein, d. h. der Ringstoß muß über den Arretierstiften stehen. Nicht den
Zylinder gewaltsam niederdrücken, sondern die Kolbenringe einzeln eindrücken, damit sie durch die
Anschrägung der Laufbuchse zwanglos in die Nuten gedrückt werden. Dabei immer auf die Arretierstifte achten,
sonst gibt es Ringbruch!

Bild 69

Alle MZ-Motoren (außer Rennmotoren mit Einlaßdrehschieber) haben ein ’symmetrisches‘ Steuerdiagramm.
Bezogen auf den Einlaß (140°) heißt das, daß 70° vor dem oberen Totpunkt die Kolbenkante den Einlaßkanal
freigibt und 70° nach OT schließt.

Steuerzeiten in Grad Kurbelwinkel:

&nbps; ES 175/2 ES 250/2
Einlaß 140° 140°
Überströmen 113° 113°
Auslaß 165° 160°

Bild 70

Eine behelfsmäßige Gradscheibe kann von jedem größeren Schreibwarengeschäft (Schulbedarf!) bezogen
werden.

Für den Werkstattgebrauch wird sie durch Aufnieten einer Blechscheibe verstärkt.

Bild 71

Da das Gehäuse inzwischen vollkommen abgekühlt ist, werden die 15 Schrauben und die Mutter des Stehbolzens
am Zylinderhals nachgezogen.

Um guten Wärmeübergang zwischen Zylinder und Deckel zu erzielen, ist keine Dichtung vorgesehen. Deshalb
müssen die Dichtflächen von Deckel (auf alle Fälle!) und Zylinder auf der Tuschierplatte überprüft und bei
Bedarf abgezogen werden.

Die vier Stützecken der Dichtflächen dürfen 0,1 bis 0,15 mm zurückstehen, nicht mehr!

Bild 72

Fast ausnahmslos ist für undichte Zylinderdeckel das falsche Anziehen derselben verantwortlich. Deshalb immer
‚über Kreuz‘ anziehen, d. h. in der Reihenfolge 1 – 3 – 4 – 2. Nicht in einem Arbeitsgang anziehen, sondern
etappenweise. Zuletzt mit etwa 5 kpm festziehen.

Der Brennraum hat bei montiertem Zylinderdeckel einen Kubikinhalt (ölkohlefrei) von

ES 175/2 21 +/-0,5 (27) ccm
ES 250/2 33 +1 (40)ccm.

Mit einem Meßglas wird ‚Spülöl‘ bis zur Innenkante Kerzenloch eingefüllt.

Die Werte in Klammern beziehen sich auf den abgebauten Zylinderdeckel – mit eingeschraubter Zündkerze. Zum
Auslitern wird Kraftstoffgemisch verwendet. Als Kontrolle eine Glasscheibe darüberlegen – an der mehr oder
weniger großen Luftblase wird ersichtlich, ob der Brennraum wirklich voll ist.

4.7 Kupplung und Primärantrieb


nächster Punkt ; Index

Bild 73

Zuerst wird das 68zähnige Antriebsrad aufgesetzt. Nur drücken oder ganz leicht klopfen, bis das Nutprofil
eingefädelt ist.

Nicht durch Hammerschläge aufkeilen – dadurch würde das Axialspiel der ’schwimmenden‘ Lagerbuchse
aufgehoben.

Den Gegenhalter 05-MW 15-3 ansetzen, Sicherungsblech auflegen und die Mutter (und damit das Rad) mit dem
Steckschlüssel fest anziehen.

Sicherungsblech umlegen.

Bild 74

Ein nach längerer Laufzeit auftretendes abnormales Geräusch, das beim Ziehen des Kupplungshebels
verschwindet, hat seine Ursache in zu großem Axialspiel des 28zähnigen Antriebsrades mit
Kupplungsmitnehmer. Bedingt durch die Schrägverzahnung beider Stirnräder pendelt dieses dann beim
Lastwechsel. Zulässiges Axialspiel 0,05 mm bis max. 0,1 mm. Nicht weniger; das 28zähnige Antriebsrad wird
dann seitlich festgeklemmt – die Kupplung trennt Motor und Getriebe nicht mehr. Eventuell rutscht dann der
Kupplungskörper auf dem Kurbelwellenkonus.

Zum Überprüfen müssen die Meßstellen ölfrei sein. Die Distanzscheibe 19x34x3 (1) ist als obere Begrenzung
des Meßbereiches aufzulegen und niederzudrücken.

Bild 75

Wem das nötige Fingerspitzengefühl für eine exakte Messung fehlt, kann sich die unter 05-ML 13-4 beschriebene
Meßeinrichtung selbst anfertigen. Abmessungen siehe Selbstbauskizze im Anhang!

Ein Kupplungskörper kann dazu ohne großen Arbeitsaufwand entsprechend umgearbeitet werden.

Als obere Begrenzung ist zum Messen ebenfalls eine Scheibe 19x34x3 aufzulegen. Für den Durchgang des
Meßuhrstößels muß jedoch seitlich eine Kerbe eingeschliffen werden.

Bild 76

In dieser Reihenfolge werden die Antriebsteile montiert:

  1. Distanzscheibe 22×34. Sie steht in drei Dicken zur Verfügung 1,9 mm; 1,95 mm; 2,0 mm. Das ermittelte
    Axialspiel wird durch Einlegen der entsprechenden Anlaufscheiben auf das zulässige Maß von 0,05 mm bis
    max. 0,1 mm abgestimmt.
  2. Zweireihiges Nadellager 22x26x26. Hier tritt kaum meßbarer Verschleiß auf. Eine Korrektur des Lagerspieles
    kann durch Auswechseln des Antriebsrades (untere bis obere Toleranzgrenze) erfolgen.
  3. Anlaufscheibe 19x34x2,3.
  4. Federscheibe 19x34x1.
  5. Distanzhülse, 12 mm lang.

Bild 77

Hat der Kupplungsmitnehmer radial mehr als 0,3 mm Spiel, so müssen die Reibbelaglamellen erneuert werden
(Geräusche!).

Haben sich die Lamellen bereits im Mitnehmer eingeschlagen, dann legt die Kupplung durch die rillenförmigen
Vertiefungen im Nutprofil schlecht aus.

Das Kupplungsdrucklager (30x47x11) im Druckflansch ist so reichlich bemessen, daß auch nach erheblichen
Laufleistungen kaum Verschleiß auftritt. Bei der Überprüfung des Zahnflankenspieles am Primärantrieb muß das
Radialspiel der Lager auf Kurbel- und Antriebswelle mit berücksichtigt werden. Sind diese verbraucht, so ergibt
sich aus der Summe von drei Lagerspielen auch anormal hohes Zahnflankenspiel. Ein Auswechseln des
Stirnradpaares ohne neue Lager ist in diesem Fall zwecklos. Eine zwar primitive aber zuverlässige Meßmethode:
Ein Streifen Bleifolie (oder ausgehämmerter Blechdraht) wird zwischen zwei bis drei Zähne durchgedreht und
der gewonnene Abdruck in Höhe des Teilkreises (Zahnmitte) mit dem Mikrometer gemessen. Die
Verschleißgrenze liegt bei 0,25 mm.

Bild 78

Kupplungsspannvorrichtung 05-MV 150-2. Durch Anziehen der Knebelmutter wird der Kupplungsflansch
entspannt und die Muttern der Distanzbolzen sowie die Sechskantschrauben können entfernt werden.

Die komplette Kupplung ist ausgewuchtet, deshalb beim Zusammenbau auf die drei Markierungen achten.
Schrauben und Muttern sorgfältig sichern – nur neue Sicherungsbleche verwenden.

Bitte Abbildung beachten – um die Lamellen zu zentrieren, muß der Kupplungsmitnehmer unten eingelegt
werden.

Bild 79

  1. Reibbelaglamelle neu : 3,0 +/- 0,1 mm
    (Verschleißwert: -0,3 mm)
  2. Stahllamelle : 1,5 -0,1 mm
    (Wenn blau angelaufen oder nicht mehr plan – dann auswechseln.)
  3. Druckfedern:
    • Länge entspannt 28,3 +/- 0,6 mm
    • Druck normal 13,5 kp
    • bei Einbaulänge von 17,0 mm

Bild 80

Reihenfolge der Montage siehe Bild 76! Damit die Kupplung auf dem Kupplungswellenkonus auch wirklich
kraftschlüssig sitzt, muß auf guten Zustand beider Konen geachtet werden. Beide Konen säubern (ölfrei),
Kupplung aufsetzen und mit Hilfe eines passenden Distanzrohres sowie der Kronenmutter anziehen (10 kpm!).
Nach Lösen der Mutter muß die Kupplung – trotz des Druckes der untergelegten Federscheibe – auf dem
Kurbelwellenstumpf haften.

Wenn nicht, dann die Anlaufscheibe und das Antriebsrad mit Kupplungsmitnehmer herausnehmen, den
Kurbelwellenkonus mit feinkörniger Schleifpaste dünn bestreichen und die Kupplung durch Links- und
Rechtsdrehen leicht nachschleifen, bis der Konus über die ganze Fläche trägt.

Gut abdecken – damit kein Schmirgel in das Lager kommt!

Bild 81

Nach dem Schleifen muß das Axialspiel neu ausgeglichen werden.

Zum Spannen der Kickstarterfeder wird die vormontierte Starterwelle (siehe auch Bild 3) im Schraubstock
eingespannt – Kupferbacken oder zwei Holzbeilagen zwischenlegen.

Reihenfolge der Montage:

Runddichtring in der Gehäusebohrung überprüfen. Anlaufscheibe auf die Starterwelle aufstecken, Federspange
aufschieben, abgewinkeltes Ende der Feder in die Bohrung der Welle stecken.

Angewinkeltes Ende in die Bohrung im Kupplungsdeckel einführen – dabei diesen auf die Starterwelle
aufschieben und letztere im Schraubstock einspannen.

Kickstarter aufstecken, den Kupplungsdeckel etwa 1 1/4 Umdrehung nach links drehen und von oben her die
Keilschraube einschlagen und anziehen.

Bild 82

Zum Auswechseln des Lagers 6302 den außenliegenden Sprengring entfernen.

Wird die Lagerbuchse ausgebaut, dann wegen des Bundes von innen nach außen durchdrücken.

Arbeitet die Kupplung nicht ruckfrei, so ist das Flachgewinde von Druckhebel und Lagerbuchse zu überprüfen.
Vorhandener Grat, Druckstellen oder scharfe kanten sind mit einer Schmirgelfeile zu entfernen.

Teile für Kupplungsbetätigung (von innen nach außen):

  1. Druckhebel
  2. Lagerbuchse mit Lager 6302
  3. Stellplatte
  4. Rund-Gummidichtring
  5. Abschlußkappe mit Schrauben und Dichtringen

Bild 83

Lagerbuchse, Druckhebel und Stellplatte vor Anbau des Deckels einstellen. Als Hilfswerkzeug ist ein auf die
Planfläche des Deckels passendes Rohrstück zu verwenden. Dorn durch Rohr und Nippelöse schieben, die
Stellplatte soweit klopfen, bis das Rohr anliegt und zwischen Druckhebel (1) und Rippe 6 mm Abstand
vorhanden sind.

Innerhalb dieses Bereiches wird im Fahrbetrieb der Verschleiß der Reibbeläge und Lamellen durch die
Schnellverstellung am Kupplungshandhebel ausgeglichen.

Bild 84

So wird der Kupplungsbowdenzug eingehängt!

Auf guten Zusatnd (öldicht!) des Dichtringes (Pfeil) achten. Gummikappe und Seilzugaufnahme (1) auf den
Seilzug aufstecken – Nippel einhängen. Aufnahme einschrauben – Stecknippel (2) aufschieben und mit
Gummikappe sichern.

Dichtflächen des Gehäuses abwischen, Deckeldichtung auflegen (ohne Dichtmittel) und kontrollieren, ob die
Distanzhülse aufgesteckt ist.

Kupplungsdeckel auflegen und durch leichte Schläge mit dem Plastehammer niederklopfen. Es geht dabei um
den Haftsitz des Lagers 6302!

Deckelschrauben gleichmäßig (in der Mitte beginnen) und über Kreuz anziehen.

Bild 85

Die Kronenmutter (SW 22) aufschrauben und mit 10 kpm festziehen. Zum Gegenhalten wird der 22-mm-
Kontrolldorn in das kleine Pleuelauge gesteckt oder, wenn der Zylinder schon montiert ist, der Gegenhalter 05-
MW 45-3 an das Getriebekettenrad angesetzt – ersten Gang einschalten.. Immer einen neuen, einwandfrei
passenden Splint verwenden und beide Schenkel mit einer Zange andrücken, damit sich der Splint nicht lockern
kann.

Bruchstücke eines druchgescheuerten Splintes können den Primärantrieb blockieren!

Stellplatte und Dichtring einlegen. Abschlußkappe verschrauben, dabei auf guten Zustand der drei Dichtringe
achten (siehe auch Bild 82).

Bild 86

Getriebekettenrad aufstecken und Mutter (SW 24) anziehen, dabei Gegenhalter 05-MW 45-3 ansetzen.
Sicherungsblech anlegen.

Der vierte Gang ist ein Schon- bzw. Schnellgang. In ausgesprochen gebirgigem Gelände oder für Fahrer, welche
Gänge nicht voll ausfahren, ist für die ES 250/2 statt des serienmäßigen Getriebekettenrades mit 21 Zähnen ein
20zähniges des ES 175/1 zweckmäßig.

Bild 87

Ist der Motor komplettiert, wird sofort – um es nicht zu vergessen – Getriebeschmiermittel aufgefüllt:

Inland:

750 ccm Getriebeöl GL 60
Viskosität: 7 … 9 °E/50°C = 53 … 68 cSt, entspricht etwa SAE 80 EP

Ausland:

Steht kein Getriebeöl mit gleichen Werten zur Verfügung, dann unlegiertes Motorenöl SAE 40 (Mineralöl)
verwenden.

Die Ölmenge genau abmessen. ‚Etwas mehr‘ kann die Ursache sein, daß an der Höchstgeschwindigkeit 10 km/h
fehlen. Die Kupplung wirkt in diesem Fall als ‚Wirbelbremse‘!

Zum Druckausgleich muß die Entlüftungsbohrung (Pfeil) im Verschlußstopfen offen sein.

Tritt Öl aus, überprüfen, ob zuviel eingefüllt oder Kraftstoff im Getriebe ist (Riechprobe!). Ursache: Dichtring
auf der Kurbelwelle undicht.

5 Elektrische Anlage

Bei Überprüfung der Elektroteile geht es grundsätzlich nur um die einwandfreie Ermittlung, welches Teil
tatsächlich defekt ist. Für die Instandsetzung sind nur (Garantieanspruch!) IKA-Vertragswerkstätten zuständig.

5.1 Lichtmaschine überprüfen


nächster Punkt ; Index

Bild 88

Anker auf Masseschluß überprüfen:

Prüfspannung möglichst 60 … 75 V – mit entsprechender Vorsicht sind auch 220 V (Netzspannung) zulässig. Auf
alle Fälle immer einwandfrei isolierende Unterlage verwenden. Prüflampe zwischenschalten und mit der
Prüfspitze die einzelnen Lamellen abtasten.

Leuchtet die Lampe nicht auf, so ist die Isolierung von Anker und Kollektor in Ordnung. Glimmt die Lampe
dunkelrot, ist ein schwacher, bei helleuchtender Lampe ein starker Masseschluß vorhanden – der Anker muß
ausgetauscht werden.

Bild 89

Eine gleichmäßig braune bis grauschwarze Färbung der Kollektorlaufbahn ist ohne Bedeutung. Sind jedoch
Laufrillen oder Riefen vorhanden, muß der Kollektor vom Fachmann überdreht (Dorn mit Konus) werden, denn
nur 0,03 mm Rundlaufschlag sind zulässig.

Mehr Schlag ergibt starkes Kontaktfeuer (weil die Schleifkohlen ’springen‘), verursacht Brandstellen auf der
Kollektorlaufbahn – die Lichtmaschine kann nicht die volle Nennleistung abgeben!

Vor dem Überdrehen die Glimmerlamellen ausfräsen oder aussägen. Diese zeitraubende Arbeit muß sein, sonst
fräst der vorstehende Glimmer die Schleifkohlen ab.

Übrigens – haben die Kurbelwellenlager zuviel Radialspiel, so ergibt sich annähernd derselbe Zustand! Verölte
und verschmutzte Kollektorlaufbahnen werden mit einem faserfreien, benzingetränkten Lappen gesäubert.

Bild 90

Feldentwicklung auf Masseschluß überprüfen:

Regelwiderstand abnehmen und den Feld-Minusanschluß (auf dem Widerstandsockel angeklemmt) neutral legen.
Eine Prüfspitze an Masse, die zweite an Anschlußbolzen DF. Leuchtet dabei die Prüflampe nicht auf, so ist kein
Masseschluß vorhanden.

Feldwicklung auf Windungsschluß überprüfen:

Die Prüfspitzen eines Ohmmeters werden an die Plus- und Minusseite der Feldwicklung gelegt. Das Ohmmeter
muß 1,7 … 2,0 Ohm anzeigen.

Geringerer Wert = Windungsschluß
Kein Ausschlag = Feldwicklung unterbrochen

Defekte Feldspulen nur durch den Elektrodienst auswechseln lassen!

Bild 91

Schleifkohlen:

Nach dem Lösen der Anschlüsse und Abdrücken der Federspangen können beide Schleifkohlen herausgezogen
und mit einem Benzinlappen abgewischt werden – nicht abfeilen! Auch die Kohlenhalter sind zu säubern – die
Kohlen müssen leichtgängig sein.

Vor dem Wiedereinsetzen sie Druckfedern (nur einwandfreie, nicht deformierte) auf die Kohlen aufstecken und
darauf achten, daß diese auch am Ansatz der Federspangen einrasten. Andernfalls können die Federn seitlich
verklemmt werden. Bis auf 9 mm abgenutzte Kohlen sind zu erneuern.

Bild 92

Regel- (Vorschalt-) Widerstand:

Ein durchgebrannter Regelwiderstand wird vom Fachmann schon an der unregelmäßigen Zündfolge und unter
Umständen durch Zündaussetzer bei hohen Drehzahlen erkannt. Der verschmorte Isolierlack der
Widerstandsspule ist dann die Bestätigung. Nicht nur den Widerstand auswechseln, auch die Schadenursache
muß beseitigt werden. Zum Beispiel: Leitung D+ am Regler locker oder abgerissen (Kurzschluß!).

Angeschlossen wird wie folgt:

  1. langes Kabel (gelb-rot) an D+ (Pluskohle)
  2. kurzes Kabel (schwarz) an DF (Feld-Plus)
  3. Kabelschuh ‚Feldminus‘ an die Befestigungsschraube des Widerstandes mit anklemmen.

5.2 Zündunterbrecher überprüfen und einstellen


nächster Punkt ; Index

Bild 93

Der Nocken muß auf dem Nockenträger leichtgängig sein, darf aber nicht mehr als 0,15 mm Radialspiel haben.
Andernfalls hebt der Unterbrecher ungleichmäßig ab. Schlechte Leistung und Zündaussetzer sind die Folge.

Nach dem Beseitigen der verbrauchten Schmiermittelreste (Benzin!) sind die Lagerbolzen der Fliehgewichte, die
Mitnehmer des Nockens sowie die Lagerstelle des Nockenträgers leicht mit

Wälzlagerfett ‚Ceritol‘ K5 (oder K3)

einzufetten.

(Für Auslandskunden: Ein Marken-Heißlagerfett mit einem Tropfpunkt von 145 … 155 °C verwenden. Einsetzbar
zwischen Temperaturen von -25°C bis +95°C.)

Beim Aufschieben des Nockens darauf achten, daß die eingeschlagene Markierung ‚0‘ des Nockens mit der ‚0‘
des Nockenträgers übereinstimmt, sonst steht der ‚Nockenberg‘ im unteren Totpunkt!

Bild 94

Kurbelwellenstumpf (Konus) abwischen. Paßfeder (Flachkeil) überprüfen, diese darf an der Oberseite nicht zu
stark tragen, sonst läuft der Anker unrund. Keil einsetzen und Anker aufschieben.

Polgehäuse aufsetzen, dabei auf Arretierstifte und Zentrierrand achten.

Bild 95

Zum Einführen des Nockenträgers das Polgehäuse etwa 5 mm abziehen. Beide Schrauben des Polgehäuses dann
festziehen – siehe oben!

Der zylindrische Ansatz des Nockenträgers zentriert diesen im Anker.

Für einwandfreien Rundlauf muß die Bohrung schartenfrei und sauber sein.

Vorsicht – die Nase der Ankerbohrung muß unbeschädigt in die Nut des Nockenträgers einrasten, sonst kommen
Sie mit der Verstellmöglichkeit der Unterbrechergrundplatte nicht aus.

Nockenträger und Anker mit der Schraube M7 anziehen.

Die Unterlegscheibe – nicht die Federscheibe – liegt am Nockenträger an. Ist noch ein Federring vorhanden, dann
diesen durch eine Federscheibe ersetzen. Der Nocken muß sich leicht, entgegen (Federdruck!) der Drehrichtung
des Motors, verdrehen lassen.

Ab IV. Quartal 1970 kommt für alle MZ-Motorräder eine Einheitslichtmaschine – ohne Fliehgewichtsverstellung
– zum Einsatz. Bei dieser Lichtmaschine ist die Vorzündung wie bei ES 125/150 fest eingestellt. Die
Unterbrechernocken sind jedoch unterschiedlich: der Nocken mit Eindrehung an der Stirnseite ist für ES 125/150
bestimmt.

Bild 96

Die Zündeinstellung beginnt mit der Überprüfung der Unterbrecherkontakte:

Anschlußschraube (1) der Stromschiene vom Kondensator lösen, Unterbrecherhammer abnehmen.

Kontaktflächen mit Schmirgelfeile säubern. Bei starken Abbrand (tiefe Krater) neue Teile einsetzen.

Die Kontakte müssen plan aufliegen; am Kontaktwinkel kann nachgerichtet werden.

Alte Schmiermittelreste am Lagerbolzen (2) entfernen. Einen Tropfen B-2- oder Hypoid-Öl gleichmäßig
auftragen, Unterbrecherhammer wieder aufsetzen.

Im Ausland: Druckfestes Getriebeöl mit einem Stockpunkt von -15°C verwenden (entspricht etwa SAE 90).

Außergewöhnlich starker Abbrand der Kontaktflächen deutet auf defekten Kondensator (Anfangsstadium).
Schlagen mehrere Lagen der Kondensatorwicklung durch, läuft der Motor zwar im Leerlauf, setzt aber beim
Beschleunigen aus (Einstellversuche am Vergaser sind in diesem Fall natürlich erfolglos).

Auf guten Masseschluß achten!

Zum Einstellen des Kontaktabstandes von 0,3 +0,1 mm wird die Kurbelwelle verdreht, bis die höchste Stelle des
Nockens den Unterbrecherhammer abhebt. Die Prüflehre muß beide Kontakte leicht streifen; darf also nicht
klemmen oder klappern.

Verstellt wird nach dem Lockern der Klemmschraube (3) durch Verdrehen der Exzenterschraube. Ist der
vorgeschriebene Abstand eingestellt, dann die Klemmschraube wieder anziehen und nochmals überprüfen – evtl.
hat sich dadurch die Einstellung verändert

Vergrößert sich beim Weiterdrehen der Kontaktabstand (anstatt abzunehmen), dann läuft der Nocken unrund.
Entweder durch leichte Schläge nachrichten oder den Nockenträger nochmals ausbauen.

Bild 97

Besonders sorgfältig messen, wenn der Zündzeitpunkt bereits eingestellt ist und nur die Kontakte nachreguliert
werden.

Denn:

  • mehr Kontaktabstand ergibt mehr Vorzündung (der Unterbrecher läuft schon am Fuße des ‚Nockenberges‘
    auf).
  • weniger Kontaktabstand (falsch eingestellt oder Verschleiß) ergibt weniger Vorzündung. (Der Unterbrecher
    streift nur kurz die höchste Stelle des Nockens. In der Zündspule kann sich kein kräftiges Spannungsfeld
    aufbauen = schwacher Zündfunken! Der Motor ‚patscht‘ durch den Vergaser!)

Der Zündzeitpunkt wird ausnahmslos nur bei voll ausgedrückten Fliehgewichten eingestellt. Nur in dieser
Stellung ist er über den ganzen Drehzahlbereich unverändert wirksam. Die Fliehgewichte regeln nicht, sondern
öffnen bereits nach dem Antreten voll. Dem Bastler sei gesagt, daß eine drehzahlabhängige Zündverstellung
(oder von Hand) keine Mehrleistung bringt!

Wegen der außermittigen Anordnung der Zündkerze kann nur die Zündeinstellehre H 8-2104-3
(Spezialwerkzeug) verwendet werden. Steht diese nicht zur Verfügung, besteht die Möglichkeit, mit der
Gradscheibe einzustellen (siehe auch Bild 70).

Auf alle Fälle muß sorgfältig und korrekt eingestellt werden, denn in Verbindung mit einwandfreier
Vergasereinstellung ist das die Voraussetzung für gute Motorleistung.

Bild 98

Zündeinstellung nur mit der Prüflampe!

Eine Klemme der Lampe an Anschluß ‚1‘ am Kondensator (oder Stromschiene), zweite Klemme an Masse. Wird
außerhalb des Fahrzeugs eingestellt, dann 6-V-Batterie mit Plus an ‚1‘, Minus an Masse. Kolben auf OT stellen,
Zeigerstellung auf dem Nonius der Einstellehre merken oder mit einem Bleistiftstrich markieren. Fliehgewichte
bis zum Anschlag auseinanderdrücken und festhalten. Kurbelwelle entgegen der Motordrehrichtung (Pfeil im
Kreis) so weit drehen, bis an der Lehre der vorgeschriebene Wert erreicht ist. In diesem Moment muß die
Prüfleuchte aufleuchten. Wenn nicht, dann die beiden Schrauben (A) lockern und die Unterbrechergrundplatte
seitlich verschieben. Anschließend auf richtige Lage der Fliehgewichtfedern achten.

Vorzündung:

3,0 -0,5 mm vor OT, bei voll ausgedrückten Fliehgewichten und 0,3 +0,1 mm Kontaktabstand (für beide Typen).
In Kurbelwinkelgraden: 22°15′ vor OT.

5.3 Zündkerze und Kerzenstecker


nächster Punkt ; Index

Bild 99

Nicht so mit der Zündkerze umgehen!

Durch kaum sichtbare Haarrisse im Keramikkörper wird sie schon unbrauchbar. Außerhalb des Motors springt
zwar an den Elektroden ein kräftiger Funke über, im Motor (unter Druck) sucht sich der Zündstrom einen
anderen Weg.

Auch vom guten Zustand des Kerzendichtringes hängt die einwandfreie Funktion der Zündkerze ab. Er muß
gasdicht abschließen, sonst heizen durchschlagende Verbrennungsgase die Kerzen so auf, daß trotz richtigem
Wärmewerten Glühzündungen auftreten.

Das zerklüftete Kerzeninnere nimmt mehr Wärme auf als der glatte Verbrennungsraum – ein stark deformierter
Dichtring hemmt aber den Wärmeaustausch. Im Moment des Zündvorganges sind das über 2400 °C!

Das Kerzengewinde muß bündig abschließen. Vorstehende Gewindegänge von Kerze oder Zylinderdeckel
verursachen Überhitzung.

Hochoktanischen Kraftstoff wird Bleitetraäthyl zugesetzt. Daraus kann sich, besonders bei überalterten
Kraftstoffen, Bleioxid absetzen. Bleioxid ist durchsichtig, außer einer leichten ‚Glassur‘ im Kerzeninneren ist
nichts zu erkennbar. Diese Glassur wird bei 300 … 400 °C stromleitend, kalt aber nicht!

Bild 100

Wenn der kalte Motor einwandfrei anspringt und die Zündung setzt bei warmem Motor aus, so hilft nur eine neue
Zündkerze!

Die als ‚Kerzenbrücke‘ bezeichnete Überbrückung von Masse- und Mittelelektrode entsteht durch erhöhte
Elektrodentemperatur in Verbindung mit ungenügend gefilterter Ansaugluft. Das vom Zündfünken ausgelöste
Spannungsfeld reißt die Strompartikeln nach der Masseelektrode und setzt sie dort an, bis die Kerze
kurzgeschlossen ist.

Für Normalbetrieb ist die Isolator-Zündkerze M 14/260 zu verwenden. Sportlichen Fahrern ist die Isolator-Kerze
RM 14/250S zu empfehlen. Kerzengewinde M14x1,25 mm Steigung.

Häufig verursachet der teilabgeschirmte Kerzenstecker Zündverzögerung (schlechte Motorleistung) oder
Zündaussetzer, die einfach durch einen neuen Stecker beseitigt werden. Das ist Materialverschwendung; mit
einigen Handgriffen wird der alte Stecker wieder funktionstüchtig!

Die zwischen den Kerzenelektroden überspringenden Zündfunken erzeugen ein hochfrequentes Spannungsfeld,
das über die Zuleitung an die Umgebeung abstrahlt. Das Zündkabel wirkt (besonders feuchtschmutzig) als
Antenne.

Ein Entstörwiderstand dämpft diese Schwingungen. Am wirksamsten wäre dieser in der Nähe der Elektroden.
Zündkerzen mit eingebautem Entstörwiderstand werden jedoch noch nicht serienmäßig eingesetzt.

Normale Zündkerzen werden entstört, indem der Widerstand (1) das Kerzenkabel abschirmt. Die Oberfläche des
Steckers ist mit einer metallischen Abschirmung (2) überzogen, die das Spannungsfeld des Steckers über das
federnde Unterteil auf Masse ableitet. Diese Abschirmung verursacht bei mangelnder Pflege Zündstörungen:

Die mit dem Fahrtwind herangetragenen Staub-, Wasser- und Ölpartikel werden durch das hochfrequente
Spannungsfeld mit hoher Geschwindigkeit an das Innere des Steckers und der Abschirmung (Masse) gerissen.
Mit der Zeit bildet sich daraus ein elektrisch leitender Belag. Der Zündfunke wird zunehmend schwächer, bis er
endgültig wegbleibt.

Durch Auspinseln mit einer Waschlösung oder Waschbenzin ist dieser Belag zu entfernen, der Stecker
auszublasen und trockenzureiben.

Die Kontaktfedern (3) müssen am Kerzensechskant anliegen, sonst wird UKW- und Fernsehempfang unzulässig
gestört.

An den Kontaktflächen muß der Widerstand (1) oxidfrei sein. Die Kontaktfläche im Stecker wird mit einem
Holzstäbchen gesäubert. Lockere oder angerußte Widerstände sind unbrauchbar.

Das Zündkabel nicht kürzen, die Originallänge ist so abgestimmt, daß sich nur geringe hochfrequente
Abstrahlungen (Rundfunk- und Fernsehempfang!) ergeben.

5.4 Zündspule und Signalhorn


nächster Punkt ; Index

Bild 101

Die Zündspule ist ein Paket hauchdünner Drähte (Sekundärwicklung) – deshalb die Klemmschelle (K) nicht
gefühllos anziehen.

Beide Anschlußbolzen sind markiert, Anschlußleitung ’15‘ steht bei eingeschalteter Zündung unter Strom
(Klemme 15 am Zündschloß). Die Leitung für Anschlußbolzen ‚1‘ führt zum Unterbrecher und bekommt hier bei
geschlossenen Kontakten Masse.

Bild 102

Mit der Schlitzschraube (E) kann der Unterbrecher des Signalhornes bei Bedarf nachgestellt werden. Nur je eine
Viertelumdrehung probeweise langsam nach links und rechts verstellen, bis das Signal wieder die richtige
Lautstärke hat.

Durch die Öffnung (1) wird über die Filteranlage die Verbrennungsluft angesaugt.

5.5 Scheinwerfer


nächster Punkt ; Index

Bild 103

Um das Suchen nach den Klemmenbezeichnungen bei eingebautem Zündschloß zu erleichtern, bitte nach
nebenstehender Draufsicht orientieren.

Die Klemme 57 ist weggefallen, Leitung 57 (Standlicht) liegt mit auf 58. Das Standlicht brennt deshalb bei Fern-
und Abblendlicht mit. Die Klemme 31 (Masse) liegt – in Fahrtrichtung gesehen – vorn. Schaltplan beachten!

Bild 104

Zum Herausnehmen des Zündschlosses sind die Zungen der Schalterabdeckung von innen mit einer Messerklinge
aufzubiegen. Nach dem Entfernen der Halteschrauben ist das Schloß frei. Auf die zwischenliegende Dichtung
achten.

Die Mutter am Tachobügel (1) gefühlvoll anziehen, sonst wird die Rotorwelle des Tachometers geklemmt und
die Tachonadel ‚pendelt‘ oder schlägt bis zur Endstellung aus.

Bild 105

Durch Verdrehen der Stellschrauben (A) wird der Reflektorrahmen geschwenkt und damit der Lichtstrahl in die
erforderliche Stellung gebracht (siehe auch Einstellschema Bild 108).

Zur Grobeinstellung ist die untere Scheinwerferhalterung mit Langlöchern versehen.

Der Reflektor wird durch zwei federnde Klauen (B) gehalten, die mit dem zum Bordwerkzeug gehörenden Heber
angehoben bzw. eingehängt werden.

Bild 106

Die Klemmleiste (Duroplastteil) gerade abziehen – nicht verkanten -, sonst werden die Kontaktzungen verbogen
und der Stromdurchgang ist dann evtl. unterbrochen. Besonders bei Klemme 31 (Masse) ist das wegen des hohen
Durchgangs wichtig.

Bei Bedarf die Kontaktzungen nachbiegen und mit feinkörnigem Schmirgelleinen metallisch blank reiben. Mit
den drei Polen der Biluxlampe wird ebenso verfahren.

Bei ungenügender Fahrbahnausleuchtung (trübes Licht) sind die beiden 15 A-Sicherungen sowie deren
Halterungen oxidfrei zu machen.

Verschmutzte Kontakte ergeben Spannungsabfall bis zu 50%.

Bild 107

Zum Auswechseln der Biluxlampe ( 6V, 45/40 W) die Haltefeder (a) anheben. Mit der Lampenfassung wird dann
die darunterliegende Glühlampe frei. Den Glaskörper nur mit einem sauberen Lappen oder Seidenpapier anfassen
– auch saubere Finger hinterlassen Fettspuren!

Beim Einsetzen der Glühlampe darauf achten, daß die Nasen am Lampensockel in die Einschnitte am Refloktor
einrasten.

Streuscheibe und Reflektor sind miteinander verklebt – nicht unnötig trennen!

Bei der Kurzschlußsuche im Hauptlichtbereich auch die Biluxlampe einbeziehen – im Lampensockel kann ein
Kurzschluß liegen!

Bild 108

Scheinwerfer-Einstellschema

Das Fahrzeug wird entsprechend dem Schema aufgestellt – mit dem Fahrer belastet. Die Federbeine stehen dabei
auf ‚weich‘.

Die Hell-Dunkel-Grenze darf nicht über der ‚Z‘-Linie liegen, der Knick des asymmetrischen Abblendlichtes muß
in der Mitte der Linien ‚V‘ und ‚W‘ liegen.

Zur Gegenprobe werden die Federbeine auf ‚hart‘ gestellt und das Fahrzeug zusätzlich mit einem Soziusfahrer
belastet.

Die ‚Z‘-Linie entspricht der gesetzlich vorgeschriebenen Fahrbahnausleuchtung von 25 m für das Abblendlicht.

Bild 109

Wegen des hohen Stromdurchganges (45/40 W) ist am kombinierten Abblendschalter mit besonderer Sorgfalt zu
montieren. Die Schrauben gut anziehen – aber nicht so fest, daß die Litze abgequetscht wird -, mit einem
Farbtupfer gegen Lockern sichern. Kontaktbleche von Signalhorn und Lichthupe säubern.

Nicht die Gummizwischenlage vergessen, sonst gibt es Masseschluß zum Lenker.

(56) Stromzuführung für Hauptlicht
(56a) Zum Fernlicht
(56b) Zum Standlicht
(31) Minusleitung zum Signalhorn
(32) Lichthupe

Das Hauptlicht richtig anschließen:

  • Hebel nach unten = abgeblendet
  • Hebel nach oben = Fernlicht

5.6 Blinkanlage


nächster Punkt ; Index

Bild 110

Der Blinkgeber (1) ist durch seinen Aufbau empfindlich gegen Schlag und Stoß, deshalb die federnde
Aufhängung nicht verändern.

Bei Arbeiten am Bilnkgeber oder den Blinkleuchten immer den Zündschlüssel abziehen.

Um den Blinkgeber vor Kurzschlußschäden zu bewahren, ist eine 4-A-Sicherung (2) zwischengeschaltet. Durch
Gegeneinanderverdrehen (Bajonettverschluß!) der Preßstoffkapsel kann die Sicherung ausgetauscht werden.

Bei Ausfgall der Blinkanlage zuerst die Sicherung überprüfen und dann die Störursache beseitigen.

Für die Blinkleuchten nur 18-W-Sofitten verwenden, andere Verbraucher, z.B. 15 W, verändern die
Blinkfrequenz 90 +/-30!

5.7 Batterie


nächster Punkt ; Index

Bild 111

Serienmäßig wird eine Blei-Flachbatterie ( 6V, 12 Ah) eingebaut. Die neue Batterie ist mit
Akkumulatorenschwefelsäure (Dichte 1,28, in den Tropen 1,24) bis zur Markierung zu füllen. Nach etwa 3
Stunden – nachdem sich die Platten vollgesogen haben – wird mit 0,6 A geladen.

Die Batterie ist geladen, wenn alle Zellen gleichmäßig gasen, die Ladespannung 7,5 … 7,8 V erreicht hat,
während der nächsten drei aufeinanderfolgenden Stunden bleibt und die Säuredichte 1,28 beträgt.

Nach vier Wochen ist die Batterie voll speicherfähig – es wird mit 1,2 A geladen.

Säurespiegel innerhalb der Markierung halten, destilliertes Wasser nachfüllen, Säuredichte mit Säureheber
überprüfen.

Beim Anschließen der Batterie immer die Klemmenbezeichnung – und + beachten. Minus kommt immer an die
braune Masseleitung!

Vorsichtshalber nach dem Anschließen der Plusleitung mit dem Minuskabel den Minuspol kurz antippen – funkt
es dabei – (bei abgeschalteten Verbrauchern) dann ist irgendwo ein Kurzschluß!

Die Polanschlüsse regelmäßig säubern und mit säurefreier Vaseline (Polfett) konservieren.

Den Entlüftungsschlauch der Batterie am Rahmen so verlegen, daß bei Batterieschäden evtl. austretende Säure
nicht an Lackteile kommt.

5.8 Lichtmaschine umpolen


nächster Punkt ; Index

Bild 112

Wurde die Batterie doch einmal falsch angeschlossen und der Motor in Gang gesetzt, dann ist bestimmt die
Lichtmaschine umgepolt. Bevor der Regler endgültig ausfällt, muß die richtige Polarität wieder hergestellt
werden: Minusleitung der Batterie an der Sicherungsdose anklemmen. Mit der Plusleitung der Batterie die
Klemme ‚D+‘ an der Lichtmaschine kurz antippen. Oder es ist der Rückstromschalter am Regler etwa 2 … 3
Sekunden anzudrücken.

Der Regler muß auf alle Fälle von einem Elektrodienst auf verschmorte Kontakte überprüft werden. War die
falsch angeschlossene Batterie einige Zeit in Betrieb, dann muß sie langsam entladen und dann an Fremder
Stromquelle mit 0,6 A aufgeladen werden. Säuredichte prüfen.

Erfolgt das Umpolen jedoch während der Fahrt, dann muß die Schraube M3x8 am Halter der Minuskohle
(Flachstecker!) fest angezogen bzw. durch eine längere ersetzt und mit einer Mutter gekontert werden. Weitere
Maßnahmen siehe oben.

5.9 Regler


nächster Punkt ; Index

Bild 113

Das Einstellschema (Bild 113) zur mechanischen Einstellung mit Fühllehre ist nur für Notreparaturen
vorgesehen, z.B. wenn ein Kontakt festgeschmort ist.

Für die endgültige (elektrische) Einstellung ist nur der Elektrodienst (mit Prüfstand) zuständig.

Bei ungenügender Fahrbahnausleuchtung nicht den Regler unkontrolliert verstellen, sondern zuerst alle
Kontaktstellen (Sicherungen, Regleranschlüsse, Lampensockel und Masseleitung (31) zur Biluxlampe) säubern.

Oxydierte Kontakte ergeben erheblichen Spannungsabfall!

Nur Original-Regler RSC 6/60 (plusgeregelnd!) verwenden. Ein Fremdfabrikat mit Minusregelung würde die
Lichtmaschine zerstören.

5.10 Bremslichtschalter


nächster Punkt ; Index

Bild 114

Zum Nachstellen des Bremslichtschalters (hier bekommt das Bremslicht Masse!) die Gummikappe mit Stecker
abziehen und die Mutter (SW 9) eine Vierteldrehung lockern. Ein Helfer drückt den Fußbremshebel nieder, bis
beim Durchdrehen des Hinterrades die Bremsbacken eben beginnen zu schleifen. In dieser Stellung den
Bremshebel festhalten und die Schlitzschraube verdrehen, bis bei eingeschalteter Zündung das Bremslicht
aufleuchtet. Die Mutter gefühlvoll anziehen – die Isolierbuchse ist aus Plast!

Reicht der Verstellbereich nicht aus, so kann die Kontaktfeder am Bremsschlüssel nachgerichtet werden. Siehe
Bild 138.

5.11 Brems-Schluß-Kennzeichen-Leuchte


nächster Punkt ; Index

Bild 115

  • Anschluß für Bremslicht, Klemme 54
  • Minusleitung zum Bremslichtschalter am hinteren Bremsdeckel
  • Anschluß für Kennzeichenleuchte, Klemme 58
  • Anschluß für Minusleitung (führt zum Reglersockel – Masse)

Die Parabolspiegel nur trocken abwischen!

6 Ansaugsystem


nächster Punkt ; Index

Der Vergaser arbeitet nicht unabhängig, sondern ist nur ein Teil eines aufeinander abgestimmten Systems. Dieses
beginnt am Luftfilter und endet am Schalldämpferendstück.

Auch das Steuerdiagramm ist nur ein Teil davon. Wenn nach längerer Betriebszeit eine Abmagerung oder
Überfettung des Kraftstoff – Luft – Gemisches auftritt, braucht der Fehler nicht unbedingt im Vergaser zu liegen.
Es müssen alle mit der Funktion des Vergasers in Zusammenhang stehenden Teile genauso geprüft werden, wie
der Vergaser selbst.

6.1 Ansauggeräuschdämpfer mit Trockenluftfilter


nächster Punkt ; Index

Hauptbestandteil des Ansaugsystems ist der Ansauggeräuschdämpfer. Gehäuse und Deckel sind Duroplastteile
und deshalb schonend zu behandeln. Das Gehäuse (1) ist durch die beiden Schrauben M8x60 und jeweils eine
Druckfeder (2) elastisch am Rahmen befestigt. Zur Abdichtung sind zwischen Gehäuse und Rahmen für die
Schraubenbohrungen zwei (3) und für die Ansaugöffnung ein Moosgummiring (4) zwischenzulegen.

Vor der Montage wird Gehäuse und Deckel gründlich gesäubert und auf Risse und Beschädigungen (Nebenluft!)
untersucht. Das Ansaugrohr (5) muß im Gehäusedurchgang einwandfrei abdichten, sonst gibt es hier ebenfalls
Nebenluft. Mit dem Drahtklemmring (6) wird das Ansaugrohr am Vergaser geklemmt.

Durch dieses Rohr saugt der Motor die Verbrennungsluft über das Filter, durch die Gehäusebohrung und das
obere Rohmenrohr, vorn seitlich durch die beiden Öffnungen am Lenkkopf. Im Gehäuse ist demzufolge bei
laufendem Motor mehr oder weniger Unterdruck und der durch das Filter (7) zurückgehaltene Staub sitzt deshalb
an dessen Innenseite.

Bitte bei der Reinigung beachten! Da es sich um ein Trocken- (Mikronik-) Luftfilter handelt, darf es nur
vorsichtig ausgeklopft, evtl. mit einem trockenen, sauberen Haarpinsel ausgebürstet werden.

Bild 117. Ansauggeräuschdämpfer, zerlegt

Das Filter wird auf den Zentrierrand der Ansaugöffnung aufgesetzt, der Abschlußdeckel (8) aufgelegt und durch
den federnden Spannbügel (9) festgehalten. Auf guten Sitz am Zentrierrand achten, sonst gibt es auch hier
Nebenluft.

Der Moosgummidichtring (10) des Gehäusedeckels (11) muß ebenfalls einwnadfrei aufliegen und abdichten.

Nach Aufsetzen des Deckels auf beide Gehäusestehbolzen je einen Moosgummidichtring aufschieben.

Irgendwelches Zubehör darf nicht im Dämpfungsgehäuse untergebracht werden!

Nach längerer Betriebszeit kann zwischen den Klemmstellen (1) der Duroplastteil ‚Gehäuse für
Ansauggeräuschdämpfer‘ (2) und ‚Träger für Regler und Zündspule‘ (3) Verschleiß auftreten. Damit beide teile
wieder festsitzen, sind die Naben (4) soweit nachzufeilen, daß beim Anpassen am Rahmenmittelteil zwischen den
Naben ein Spalt von jeweils 2 mm verbleibt. Hier wird zur Abdichtung je ein Moosgummiring beigelegt.

Gerissene Gehäuse oder Deckel können behelfsmäßig mit Kunstharzkleber bzw. Epoxidharz repariert werden.

Bild 118. Ansauggeräuschdämpfer befestigen

6.2 Fehlersuche (Abmagerung)


nächster Punkt ; Index

Überhitzungserscheinungen, Klemmneigung, Zündkerze hat Schmelzperlen:

  1. Luftfilter beschädigt, hat ungehemmten Luftdurchgang.
  2. Filter sitzt nicht einwandfrei im Zentrierrand.
  3. Ansaugrohr mit Dämpfungsgehäuse undicht oder Faltenbalg gerissen.
  4. Gehäuse des Ansauggeräuschdämpfers beschädigt und undicht.
  5. Deckeldichtung durch ‚Vergaserpatschen‘ herausgedrückt.
  6. Isolierflansch zwischen Zylinder und Ansaugstutzen eingerissen oder porös.

Bild 119. Ansaugstutzen mit Isolierflansch und zwei Dichtungen

Diese Nebenluft hinter oder vor dem Vergaser verringert den Sog an der Oberkante Nadeldüse, demzufolge wird
weniger Kraftstoff mitgerissen – das Gemisch ist zu arm, trotz richtiger Vergasereinstellung!

Bild 120. Schnittbild des Ansauggeräuschdämpfers (das Filter ist teilgeschnitten, um das Papierlabyrint sichtbar zu machen)

6.3 Fehlersuche (Überfettung)


nächster Punkt ; Index

Schweres Starten, schlechte Leistung, Zündkerze verölt:

  1. Papierfiltereinsatz durch hohe Luftfeuchtigkeit verbraucht – weil nur noch bedingt luftdurchlässig – oder überaltert (über 15000 km).
  2. Schalldämpferendstück mit Verbrennungsrückständen zugesetzt oder ein loses Dämpfungselement sitzt vor den Durchgangsbohrungen!
  3. Zentralschwimmer verbogen – schließt das Schwimmerventil nicht.
  4. Zündzeitpunkt steht zu spät (Kontaktabstand?) oder die Fliehkraftgewichte des Unterbrechers verstellen nicht auf ‚Früh‘. Nockenträger schief eingesetzt = zwei Zündungen je Umdrehung.

Zu a): Durch den stark gedrosselten Durchgang im Filter erhöhter Sog an der Nadeldüse, es wird mehr Kraftstoff
mitgerissen. Deshalb trotz richtiger Vergasereinstellung überfettetes Kraftstoff – Luft – Gemisch!

Zu b): Die Verbrennungsgase können durch die verengten Querschnitte nicht schnell ausgestoßen werden. Es
verbleiben größere Restgasmengen im Zylinder. Dadurch schlechter Füllungsgrad und schlechte Leistung. Der
abnomale Rückstau wirkt bis in den Vergaser-Ansaugstutzen und den Vergaser selbst – dieser ’sprüht‘ stark
zurück!

Zu c): Siehe Text zu Bild 127.

7 Vergaser BVF 26 N 1-1 und 28 N 1-1


7.1 Allgemeines


nächster Punkt ; Index

Von der richtigen Einregulierung und Funktion des Vergasers hängen nicht nur die gute Motorleistung bei
annehmbaren Kraftstoffverbrauch und die Startwilligkeit ab, es geht vielmehr um die Zuverlässigkeit bei
geringstmöglichem Verschleiß. Wenn jedoch, z.B. bei zu knapper Einstellung oder Nebenluft, die
Betriebstemperatur erheblich ansteigt, dann ist ein Verschleißminimum zweifelhaft.

Die Bezeichnung ‚Vergaser‘ oder ‚Gas geben‘ sind zwar international gebräuchlich, aber irreführend. Es wird
nichts ‚vergast‘ – dazu wäre Wärme nötig. Gerade die muß man aber vom Vergaser fernhalten (Isolierflansch!):
erwärmte Luft hat mehr Volumen, damit würde der Füllungsgrad des Zylinders schlechter = geringere Leistung!
(Deshalb ist bei hochsommerlicher Hitze der Motor etwas ‚müde‘, während am Kühlen Morgen die volle
Leistung da ist.)

Zur motorischen Verbrennung von 1 l Benzin gehören etwa 9300 l Luft. Diese enorme Luftmenge – mit nur etwa
20% Sauerstoff – muß im Vergaser so intensiv gemischt werden, daß daraus ein ‚Kraftstoffnebel‘ entsteht. Von
der richtigen ‚Dichte‘ hängt es nun ab, ob der Motor die zugesicherte Leistung bringen kann oder nicht.

In diesem zusammenhang sind die Bezeichnungen ‚Einstellung zu mager‘ oder ‚Einstellung zu fett‘ gebräuchlich.
Was ist darunter zu verstehen? Wie macht sich das bemerkbar?

Um das Mischungsverhältnis von Luft und Kraftstoff zu bestimmen, wird die Verhältniszahl L (Lambda)
angewendet. Als Mittelwert gilt L =1 (= 13,8 Masseteile Luft und ein Masseteil Kraftstoff). Werte 1 haben
Luftüberschuß, unter 1 Luftmangel. (1 Kubikmeter Luft ‚wiegt‘ bei 10°C und 1at 1,2kg.) Da die
Vergasereinstellung bei Außentemperaturen von plus und minus 20°C gleichermaßen stimmen muß, ist
serienmäßig eine etwas reichlichere Einstellung (L = 0,95 … 0,90) gebräuchlich.

Dieser leichte Luftmangel von 7% sichert:

  1. gute Vollgasleistung (Vollgasfahrt fordert leichte Überfettung, weil durch den vollkommen freigegebenen Vergaserdurchlaß der Sog an der Nadeldüse geringfügig nachläßt);
  2. guten Kaltstart und einwandfreien Übergang. (Die leichte Überfettung ist der Ausgleich für im kalten Ansaugstutzen und Kurbelgehäuse kondensierende Kraftstofftröpfchen.)

Als anwendbarer Regelbereich des Vergasers (Teillastnadel) ist L = 0,95 … 1,0 zulässig. Da weder der Werkstatt
noch dem Bastler ein Motorenprüfstand mit dem zugehörenden Meßeinrichtungen zur Verfügung steht, verbleibt
zur Einstellung des Vergasers nur eine Probefahrt über mindestens 10 km Strecke.

Der Motor muß seine Betriebstemperatur haben, sonst ergeben sich Fehleinschätzungen!

Am Fahrverhalten zusammen mit dem ‚Kerzengesicht‘ ist dann die richtige Einstellung festzustellen. Eine kurze
Probefahrt ist zwecklos, weil dabei die Einstelländerung am ‚Kerzengesicht‘ noch nicht sichtbar wird.

Überfettung unter L = 0,9
br>
Durch Überfettung herrscht örtlicher Sauerstoffmangel, demzufolge ‚verzögerter Brennablauf‘ = schlechte
Leistung!

Außerdem entsteht durch die unvollkommene Verbrennung außer dem ungefährlichen Kohlendioxid (CO2) das
farblose aber giftige (!) Kohlenmonoxid (CO). Dieser ist noch brennbar – es wird also Kraftstoffenergie
verschenkt!

Besonders bei Kurzstreckenbetrieb verbleibt dann noch ein Kohlenwasserstoff – Niederschlag im Motor, dieser
löst Korrosion an Pleuellager, Zylinderlaufbahn und Kolben aus. Das ist eine der Hauptursachen für vorzeitigen
Verschleiß!

Eine bei der Demontage im Kurbelgehäuse vorgefundene Ölpfütze ist kein Zeichen normaler
Betriebsverhältnisse, sondern sehr bedenklich. Diese Emulsion ist mit Wasserstoff ‚verseiftes‘ Motorenöl und hat
keinerlei Schmierfähigkeit mehr, sondern ist richtiger als Säure zu bezeichnen.

Merkmale: Motor springt im kaltem Zustand auch ohne gezogenen Starthebel an. Motorleistung bei kaltem
Motor genügend, wird aber mit zunehmender Erwärmung schlechter. Neigung zum ‚Viertakten‘. Qualmende
Abgasfahne, hoher Verbrauch, Zündkerze mit richtigem Wärmewert verölt.

Ursachen: Trockenfilter verschmutzt, naß geworden oder überaltert (über 15000 km). Schwimmernadelsitz
eingeschlagen oder locker. Nadeldüse locker oder Verschleiß (mit Teillastnadel). Zentralschwimmer verbogen,
deshalb schließt das Schwimmernadelventil nicht einwandfrei. Hauptdüse zu groß (aufgebohrt? – mit Düsenlehre
überprüfen!).

Abmagerung über L = 1,0

Es liegt Luftüberschuß vor, demzufolge rasanter Brennablauf, ohne Abgasfahne, fast keine giftigen Abgase und
ohne verschleißfördernde Rückstände.

Merkmale: Motor springt bei korrekter Leerlaufeinstellung gut an, es muß aber längere Zeit mit mehr oder
weniger gezogenem Starthebel gefahren werden. Motorleistung bis etwa halbe Gasschieberöffnung genügend,
darüber Leistungsabfall. Wird im Bereich von Halb- bis Vollgas gefahren steigt die Betriebstemperatur
übernormal an.

Der Motor ‚patscht‘ durch den Vergaser, Kraftstoffklingeln und evtl. sogar Neigung zum Festgehen. Zündkerze
hat durch Überhitzung blau-grauen Kerzenstein, Schmelzperlen und starken Abbrand der Elektroden.

Ursachen: Nebenluft im Ansaugsystem oder am Motor selbst, Zentralschwimmer verbogen – öffnet nicht
genügend, Schwimmernadel hängt, Kraftstoffzulauf gehemmt (Tankdeckel, Kraftstoffhahn?).
Schalldämpfereinsätze entfernt, deshalb Staudruck zu niedrig (Frischgasverluste!).

7.2 Beschreibung der BVF-Vergaser 26 N 1-1 und 28 N 1-1


nächster Punkt ; Index

Beides sind Startvergaser und in ihrem Aufbau gleich. Sie unterscheiden sich nur in der Durchlaßweite und der
Düsenbestückung bzw. durch ihre Einstellwerte.

Wie aus der Bezeichnung ‚Startvergaser‘ ersichtlich ist, hat dieser Vergaser statt des bisher üblichen
‚Luftschiebers‘ eine Kaltstarteinrichtung, die gewissermaßen ein kleiner Vergaser für sich ist.

Betätigt wird diese durch den Starthebel auf der rechten Lenkerseite:

  • Starthebel gezogen (zum Fahrer zu) = Stellung für Kaltstart
  • Starthebel nach vorn = Fahrtstellung

Bei geschlossenem Starthebel muß der Startkolben (1) bzw. die daran befindliche Dichtscheibe (2) das
Startmischrohr (3) abschließen.

Bild 121. Startkolben geschlossen (Fahrtstellung)

Deshalb sind zwischen Bowdenzugstellschraube (4) und Seilzughülle 2 mm Spiel erforderlich, damit die
Druckfeder den Startkolben vollkommen schließen kann. Bei hohem Kraftstoffverbrauch immer auch die
Dichtscheibe überprüfen, evtl. bekommtder motor hier zusätzlich Kraftstoff, weil der Kolben nicht schließt oder
die Dichtscheibe beschädigt ist.

Bei Kaltstart wird durch Ziehen des Starthebels der Startkolben angehoben. Der im Startmischrohr stehende
Kraftstoff wird hochgerissen und vom Motor durch den Startkanal (5) abgesaugt. Dieser Kanal mündet hinter
dem Gasschieber im Saugrohr (siehe auch Schemazeichnung Bild 124). Um für den Kaltstart im Startsystem den
erforderlichen kräftigen Sog zu haben, muß der Gasschieber in Leerlaufstellung stehen. Nicht vollkommen
schließen, damit bleibt der Motor beim Öffnen des Gasschiebers stehen.

Zum Kaltstart nicht Gas geben, dann ist die Startvorrichtung unwirksam!

Bild 122. Startkolben angehoben (Kaltstart)

Das Startmischrohr mündet in einem Schacht, der mit dem eigentlichen Schwimmergehäuse durch die Startdüse
(6) in Verbindung steht. Deren Bohrung ist so abgestimmt, daß – nachdem die im Schacht stehende
Kraftstoffmenge abgesaugt ist – durch die Starterdüse nur soviel Kraftstoff nachläuft, daß der Motor bei zu lange
gezogenem Starthebel zwar viertaktet, aber nicht restlos ‚ersäuft‘.

Vorgemischt wird bereits im Startschacht, die Luft kommt durch eine Aussparung an der Schachtoberkante vom
Schwimmergehäuse her. Dessen Belüftung erfolgt durch die Überlaufbohrung unterhalb des Vergaserausganges.

Der Startluftkanal hat keinen Durchgang zum Michraum (A).

Bild 123. Schwimmerventil im Schnitt

Zur Verschleißminderung und um das Kraftstoffniveau auf annähernd konstanter Höhe zu halten, ist die
Schwimmernadel (7) federnd ausgebildet. Bei Verschleiß am Schwimmernadelventil (über 30000 km) sind nur
die Schwimmernadel und der Ventilsitz (8) zu erneuern. Wie bei allen Düsen, auch beim Ventilsitz bei
Bestellungen – außer der Teil-Nr. – auch die Größe angeben.

Bei der Demontage des Vergasers den Zentralschwimmer vorsichtig behandeln. Werden die beiden
Schwimmerkörper gegeneinander verdrückt oder die Lasche (9) zum Anheben der Schwimmernadel bzw. zur
Begrenzung des hubes (10) verbogen, dann steht der Kraftstoff nicht mehr funktionsgerecht.

Im Düsenträger ist oben die Nadeldüse (11) und unten die Hauptdüse (12) eingeschraubt.

Verschleißwert für Nadeldüse und Stufennadel 30000 km.

Bild 124. Startvergaser im Schnitt
Die Schemazeichnung zeigt den Kanalverlauf im Horizontalschnitt.

  1. Startkolben
  2. Dichtscheibe
  3. Startmischrohr
  4. Schwimmerventil komplett
  5. Startkanal
  6. Startdüse
  7. Düsenträger mit Nadel- und Hauptdüse
  8. Leerlaufdüse
  9. Übergangsbohrung 1,5 mm
  10. Leerlaufbohrung 0,8 mm
  11. Leerlaufluftschraube
  12. Leerlaufluftkanal
  13. Startluftkanal (ohne Durchgang und Funktion)

7.3 Fehlersuche und Einstellung


nächster Punkt ; Index

Maßgebend für die Vergasereinstellung ist immer und ausschließlich das Kerzengesicht. Das Innere der
Zündkerze – der Kerzenstein – muß hell-sandfarbig aussehen. Hell deshalb, weil die den legierten Zweitakt-
Motorenölen beigemischten Wirkstoffe (Additives) nicht nur im Motor, sondern auch im Inneren der Zündkerze
das Ansetzen von Verbrennungsrückständen verringern.

Zeigt die vorgeschriebene Zündkerze M14/260 bei normaler Fahrweise starke Schmelzperlen, dann nicht eine
Zündkerze mit höherem Wärmewert verwenden, sondern die Ursache suchen und beseitigen. Auch nicht durch
Aufbohren der Düsen die Vergasergrundeinstellung extrem verändern, sondern alle mit der Funktion des
Vergasers in Zusammenhang stehende Faktoren berücksichtigen und den Normalzustand wieder herstellen.

Bei Überhitzungserscheinungen geht es um folgendes:

  1. Nebenluft am Ansaugstutzen zwischen Vergaser und Zylinder (Isolierflansch, Dichtungen).
  2. Nebenluft im Ansaugsystem – Filterkasten undicht. Filter sitzt neben dem Zentrierrand. Gummiansaugrohr beschädigt.
  3. Papiereinsatz des Filters durch unsachgemäße Behandlung beschädigt, deshalb ungehemmter Luftdurchgang.

Das umgekehrte Verhältnis, also Überfettungserscheinungen am Zündkerzengesicht ( bei normaler
Vergasereinstellung!), kann durch folgende – außerhalb des Vergasers liegende – Fehler verursacht werden:

  1. Papiereinsatz des Luftfilters verschmutzt (ausklopfen) oder naß geworden, deshalb kein bzw. reduzierter Luftdurchgang. Naßgewordene Papierfilter sind trotz Imprägnierung unbrauchbar.
  2. Schaldämpfer (besonders das Endstück) mit Verbrennungsrückständen zugesetzt. Der Rückstau in der Auspuffanlage wird dadurch höher als zulässig, es verbleiben verbrannte Restgase im Zylinder (schlechter Füllungsgrad). Durch trägen Brennablauf dunkles Kerzengesicht.
  3. Es wurde statt des vorgeschriebenen Mischungsverhältnisses von 33:1 mit 25:1 gefahren.

Normaler Kraftstoffzulauf ist die Voraussetzung für die einwandfreie Funktion des Vergasers! Deshalb unbedingt
vor jeder Vergasernachregulierung den benzinfesten Schlauch vom Nippel des Vergasers abziehen und durch
kurzzeitiges Öffnen des Kraftstoffhahnes überprüfen, ob genug Kraftstoff durchläuft. Andernfalls sind
Einstellversuche am Vergaser sinnlos. Normale Durchlußmenge des Filterhahnes etwa 12 l in 60 min.

Ursachen für verminderten Durchgang können sein:

  1. Durch Konservierungswachs oder Poliermittel verschlossene Belüftungsbohrung im Tankverschluß.
  2. Durch zu strammes Anziehen beider Schrauben der Haltescheibe am Filterhahn wurden die Durchflußbohrungen der Gummidichtscheibe zusammengedrückt oder durch abgeschertes Material teilweise verschlossen. Der noch durchlaufende Kraftstoff genügt zwar für Halbgas, bei Vollgas fällt jedoch die Leistung ab bzw. der Motor setzt aus, weil das Schwimmergehäuse des Vergasers nahezu leergesaugt ist.
  3. Durch Beimischung von Graphit- oder MoS2- Präparaten zum Kraftstoff setzt sich das Eingangsfilter am Kraftstoffhahn mit Rückständen zu. Dadurch gibt es ebenfalls Kraftstoffmangel – siehe oben!

Die Fehlersuche am Vergaser selbst beginnt mit der Kontrolle der Teillastnadelstellung. Für normale
Betriebsverhältnisse genügen die Nadelstellungen 3 … 4 (siehe Einstelltabelle). Wobei jedoch nicht schematisch
vorgegangen werden darf, sondern immer ist das Kerzengesicht maßgebend für die Wahl der Nadelstellung. Es
kann also durchaus erforderlich sein, während der Einfahrzeit auf Nadelposition 5 und danach auf Nadelposition
4 zu gehen, um optimale Betriebsverhältnisse zu erzielen.

Nur die richtige Einstellung ist immer auch die sparsamste! Mit einer extrem knappen Einstellung muß früher und
öfter geschalten werden (Klingelneigung) – das kostet Kraftstoff!

Eine federnde Doppelplatte, der Nadelhalter, führt und hält die Teillast-Stufennadel. Bei der Einstellung ist zu
beachten, daß die untere Platte (A), in Verbindung mit der einzusetzenden Nadelkerbe (immer von oben nach
unten zählen) in Frage kommt. Die obere Platte rastet in die darüberliegende Kerbe ein.

Bild 125. Nadelhalter

Beim Einsetzen des Nadelhalters mit Stufennadel darauf achten, daß ersterer auf dem Boden des Gasschiebers
einwandfrei plan aufliegt. Sonst gibt es Einstellfehler (Höhendifferenz!) oder eine verbogene Teillastnadel.

Durch unsachgemäße Behandlung verbogene Schwimmkörper können mit Hilfe leicht anzufertigender
Kontrollvorrichtungen ausgerichtet werden. Entweder wird ein U-förmig gebogener Drahtbügel bzw. eine
Blechschablone mit der entsprechenden Abmessung angefertigt. Steht eine Schiebelehre zur Verfügung, dann
mit dieser messen.

Bild 126.Teillastnadel mit Nadelhalter im Gasschieber eingesetzt

Bild 127. Schwimmerventil geschlossen, Federstift eingedrückt
(A) Ventilhebel

Zum Überprüfen wird der Nadeldüsenträger herausgeschraubt und der Vergaser so gehalten, wie auf Bild 127
gezeigt. An der mit einem Pfeil gekennzeichneten Stelle wird nun gemessen.

Zwischen beiden Schwimmkörpern und dem Lineal (Pfeil) muß ein gleichmäßiger Abstand von 0,3 bis 0,5 mm
vorhanden sein. Wenn nicht, ist der Ventilhebel (A) entsprechend nachzubiegen.

Dieses Maß muß korrekt eingehalten werden, weil die richtige Kraftstoffhöhe davon abhängt: unter 27 mm
besteht die Gefahr, daß die Schwimmer am Vergasergehäuse anliegen und deshalb der Vergaser überläuft.

Stehen die Schwimmer höher als 28 mm, so ergeben sich Startschwierigkeiten, schlechter Übergang usw., weil
das Kraftstoffniveau zu niedrig ist.

Natürlich darf ein oder beide Schwimmkörper nicht verkantet sein, es ist also auch auf ‚Seitenrichtung‘ zu achten.

Bild 128. Schwimmerventil offen

  1. Ventilhebel
  2. Anschlaghebel für max. Schwimmerhub
  1. Originaldichtung, 1,5mm dick
  2. Originaldichtung, 0,5 mm dick

Damit das Schwimmerventil weit genug öffnet, ist die Stellung des Anschlaghebels (B) wichtig, Das auf dem Bild
128 gezeigte Maß von 34mm (27 + 7) – gemessen von Gehäusedichtfläche bis Unterkante Schwimmer – muß
ebenfalls korrekt eingestellt werden.

Andernfalls läuft bei Vollgasfahrt nicht genügend Kraftstoff nach und der Motor setzt aus, bzw. die
Höchstgeschwindigkeit wird nicht erreicht.

Bei Übermaß liegen die Schwimmer evtl. am Gehäuse an und werden dabei beschädigt.

In der gezeigten Endstellung muß der Ventilhebel (A) den Federstift eben freigeben. Wenn nicht, dann das
Schwimmerventil etwas nachziehen. Jedoch nicht gefühllos, damit der Dichtring nicht zerdrückt wird.

Nur Original-Dichtringe mit der Dicke von 1,5 mm verwenden, sonst ergeben sich Abweichungen am
Niveaustand.

In der Leerlaufeinrichtung mit der Leerlaufluftschraube (11) (Schemazeichnung zu Bild 124) zur Dosierung der
Leerlaufluft sowie der Leerlauf-Kraftstoffdüse (8) wird das Kraftstoff-Luft-Gemisch für den Leerlaufbereich des
Vergasers aufbereitet. Genau wie im Teillast- und Vollastbereich muß der Motor auch hier Kraftstoff und Luft im
richtigen, d. h. zündfähigen Verhältnis bekommen: Zuviel Leerlaufluft ergibt unrunden Motorlauf – bei
plötzlichem Gasgeben bleibt der Motor weg.

Bei nahezu geschlossener Leerlaufluftschraube neigt der Motor zum ‚Viertakten‘ – der Laie vermutet dann einen
Pleuelschaden. Es hängt also außer gutem Startverhalten auch der einwandfreie Übergang davon ab. Beim
Öffnen des Gasschiebers wird zwar zusätzlich die Übergangsbohrung (9) (Bild 124) wirksam, die Stellung der
Luftschraube ist jedoch auch dafür verantwortlich. Um eine gewisse ‚Fahrkultur‘ zu gewährleisten, muß der
Leerlaufeinstellung mehr Aufmerksamkeit als bisher gewidmet werden.

Am betriebswarmen Motor wird an der Seilzugstellschraube für den Gasschieber die Leerlaufdrehzahl so
einreguliert, daß der Motor bei in Leerlaufstellung stehendem Drehgriff eben noch weiterläuft. (Hohe
Leerlaufdrehzahl gibt Schaltgeräusche!)

Anschließend wird – von ‚2 Umdrehungen offen‘ ausgehend – die Leerlaufluftschraube ganz langsam probeweise
hinein- und herausgedreht. Es ist die Stellung mit der höchsten Motordrehzahl zu suchen. Dabei muß so langsam
vorgegangen werden, daß der Motor auf die Umstellung reagieren kann.

Nachdem die Leerlaufdrehzahl wieder auf normal herunterreguliert wurde, wird die Luftschraube um etwa 1/4
Umdrehung hineingedreht – das ist für guten Übergang bei Kaltstart!

Voraussetzung für eine korrekte Leerlaufeinstellung (d. h. Leerlaufdrehzahl und Leerlaufluft) ist, daß die
Einstellung im Teillast- und Vollastbereich stimmt, sonst reagiert der Motor nicht auf das Verstellen der
Leerlaufluftschraube!

Grundsätzlich sind alle Düsen mit einer Düsenlehre nachzumessen, damit durch ‚Auchfachleute‘ aufgebohrte
Düsen ausgewechselt werden – ohne zeitaufwendige Einstellversuche unter falschen Voraussetzungen!

Bild 129. Anschlagfeder ‚St‘ = Standgas oder Leerlaufstellung, ‚A‘ = Ausschalten (Gasschieber vollkommen geschlossen)

Die Bezeichnungen 65 oder 67 der Nadeldüsen besagen, daß deren Bohrung 2,650 bzw. 2,670 mm Dmr. hat. Die
dritte Stelle hinter dem Komma besagt, daß es um Feinsttolerierung geht; jeweils +/- 3 µm.

Zum Begriff ‚Drehgriff schließen‘ oder ‚Drehgriff in Leerlaufstellung‘: Zwischen Drehgriffschieber und
Widerlager des Seilzuges liegt eine kleine Druckfeder. Im entspannten Zustand ist diese der Anschlag für die
Leerlaufstellung. Dabei ist der Gasschieber etwa 1,5 mm offen.

Beim Abstellen des Motors ist der Drehgriff zu schließen, die Druckfeder wird dabei auf etwa 5 mm
zusammengedrückt. Der Gasschieber schließt nun den Luftdurchgang vollkommen ab.

Bitte unbedingt beachten:

Zur einwandfreien Vergasereinstellung gehört natürlich immer auch der korrekte Zündzeitpunkt und
Kontaktabstand. Wenn z.B. der Nockenträger nicht schlagfrei läuft, hebt der Unterbrecher je Umdrehung
zweimal ab. Es kann sich bei hohen Drehzahlen in der Zündspule kein kräftiges Spannungsfeld aufbauen – die
Zündung setzt aus. Das läßt dann Kraftstoffmangel vermuten, am dunklen Kerzengesicht wird aber sichtbar, daß
es um einen Zündungsfehler geht. Ähnliche Erscheinungen ergeben sich bei zu wenig Kontaktabstand,
Spätzündung, Kondensatorschäden oder defektem Vorschalt-(Regel-)Widerstand.

7.4 Vergaser-Grundeinstellung


nächster Punkt ; Index

  ES 175/2 (13,5 PS) ES 250/2 (17,5 PS)
Typ BVF 26 N 1-1 BVF 28 N 1-1
Durchlaß 26 mm 28 mm
Hauptdüse 100 107
Nadeldüse 65 67
Teillastnadel-Nr. K2 mit 5 Kerben K3 mit 5 Kerben
Nadelstellung von oben 3…4 *) (4. für die Einfahrzeit) 3…4 *) (4. für die Einfahrzeit)
Startdüse 90 100
Leerlaufdüse 35 40
Schwimmernadelventil 18 18
Leerlaufluftschraube 1 1/2 … 2 1/2 Umdr. offen 2 … 3 Umdr. offen
Schieberausschnitt 3 (30) 3 (30)
Übergangsbohrung 1,5 mm 1,5 mm
Leerlaufbohrung 0,8 mm 0,8 mm
*) Für die Einstellung ist immer das Fahrverhalten und Kerzengesicht maßgebend!

8 Fahrgestell


8.1 Kraftstoffbehälter abnehmen (Anbau von Beinschutzblechen)


nächster Punkt ; Index

Bild 130

Zum Abnehmen des Kraftstoffbehälters zuerst nach Lösen beider Halteschrauben das Lenkerabdeckblech (1)
entfernen.

Anschließend die beiden Befestigungsschrauben (2) des Kraftstoffbehälters entfernen – dabei die
Gummizwischenlagen nicht verlieren. Der Behälter kann jetzt hinten oben (Kraftstoffhahn!) abgenommen
werden.

Beim Wiedereinsetzen darauf achten, daß die pilzförmigen Auflagegummis seitlich am Lenkkopf noch
vorhanden sind.

Bei Anbau von Beinschutzblechen werden auf die Stiftschrauben die Befestigungsbleche aufgesteckt.

Dazu wird der Köder beiderseitig am Scheinwerfer – entsprechend der Höhe der Bleche – mit einem scharfen
Messer längs aufgeschnitten und die Bleche durchgesteckt. Nachdem die unteren Befestigungsschellen und der
Spannbolzen befestigt sind, werden nach dem Abnehmen von Blendring und Reflektor mit einem Steckschlüssel
von vorn her die Muttern M6 (und Federring) gleichmäßig angezogen.

8.2 Lenkungslager überprüfen und nachstellen


nächster Punkt ; Index

Bild 131

Mit einer Hand am Kotflügel wackeln, mit der anderen Hand am unteren und oberen Lenkungslager fühlen, die
Lager müssen leichtgängig, aber absolut spielfrei sein!

Zum Nachstellen das Sicherungsblech aufbiegen und mit einem Hakenschlüssel die Nutmutter (siehe auch Bild
132) nachziehen. Sicherungsblech wieder anlegen.

8.3 Lenker abnehmen


nächster Punkt ; Index

Bild 132

Am Vorderrad unterlegen, damit die Gabel nicht durchrutscht.

Mit enem Hakenschlüssel die Nutmutter (1) abdrehen, vorher das Sicherungsblech (2) aufbiegen. Anschließend
die Klemmschraube (3) mit Sicherungsblech entfernen. Lockern genügt nicht, weil sie in einer Aussparung des
Schaftrohres (4) sitzt!

Oberen Gabellaufring auf Verschleiß (eingelaufen oder punktiert) untersuchen. Ist hier Abnutzung festzustellen,
dann wird zwangsläufig am unteren Lenkungslager der Verschleiß noch größer sein. Es sind dann alle Laufringe
und Kugeln zu erneuern.

Ein neuer Gabellaufring ist nur warm aufzuziehen – auf etwa 80 °C erwärmen und mit einem passenden
Rohrstück bis zum einwandfreien Aufliegen niederdrücken.

Ein lockerer Gabellaufring ist eine der Hauptursachen für das ‚Schwimmen‘ des Fahrzeugs! Nur je Lager 22
Stück Kugeln mit 6,35 mm Dmr. verwenden, keinesfalls mehr.

Bei der Montage nur neue Sicherungsbleche verwenden. Die Klemmschraube ist mit 5 kpm (Ringschlüssel!)
anzuziehen.

8.4 Schwingenlagerbolzen auswechseln


nächster Punkt ; Index

Bild 133

Mit Zentrierbolzen (1) 05-MW 26-4 die Schwinge fixieren und von rechts den neuen Bolzen einschieben (die
Mutter auf dem kurzen Gewindeansatz vorher festziehen).

Richtige Reihenfolge beachten:
Die Gummidichtringe (2) müssen beiderseitig an den Lagerbuchsen anliegen, damit die Schmierstellen öldicht
sind. Jeder Dichtring wird durch eine Schutzkappe (3) abgedeckt. Die Schwinge muß durch ihr eigenes Gewicht
niedergehen – ohne Axialspiel! Ausgeglichen (und gekontert) wird mit den Muttern (4).

Die Arretierschrauben (5) mit Kontermuttern sichern den Bolzen gegen Verdrehen und dürfen nur auf den
vorgesehenen Bolzenflächen aufsitzen. Andernfalls gibt es (wegen der Druckstellen) Schwierigkeiten bei der
nächsten Demontage.

Nur mit GL 60 oder Motorenöl abschmieren!

8.5 Vordere Silentblöcke auswechseln


nächster Punkt ; Index

Bild 134

In diesem Demontagezustand können die beiden vorderen Silentblöcke (1) ausgetauscht werden.

Bei der Montage die Silentblöcke so einsetzen, daß die Warzen in die Aussparung am Haltebügel zu liegen
kommen.

Die Gummiblöcke vor Benzin und Öl schützen!

8.6 Elastische Motoraufhängung hinten


nächster Punkt ; Index

Bild 135

In folgender Reihenfolge werden die Teile auf das Lagerrohr am Rahmen aufgeschoben (die Teile mit
Seifenwasser anfeuchten):

  1. Lagergummi,
  2. Miramid-Abstandsringe,
  3. Motorbefestigungslaschen.

Mit einer von vorn her auf die Laschen angesetzten Schraubzwinge wird die Lagerung zusammengedrückt. Als
Hilfswerkzeug kann auch eine Stiftschraube M6x230mm mit zwei Scheiben oder Flacheisen benutzt werden.

Die hintere Schwinggabel erhält an den inneren Stirnseiten der Lagerbuchsen je einen Dichtgummi (4) und
darüber je eine glatte Anlaufscheibe (5). Dabei wird der Schwingarm aufgeschoben und von links her mit dem
Zentrierbolzen 05-MW 26-4 (der auch für die Vorderschwinge verwendet wird) fixiert.

An die Außenseiten der Lagerbuchsen ebenfalls je einen Dichtring (4) und eine Anlaufscheibe (6) – mit der
gewölbten Seite zum Dichtring zu – aufstecken. Von rechts den eingeölten Lagerbolzen einschieben.

Bild 136

Hintere elastische Motoraufhängung montieret.

Verschleißgrenze etwa 30000 km.

Der Lagerbolzen ist so zu verdrehen, daß beide Halteschrauben auf die Flächen des bolzen drücken. Mit den
Mutter kontern.

Die Schwinge muß absolut spielfrei, aber so leichtgängig sein, daß sie durch ihr eigens Gewicht niedergeht.

Das Axialspiel wird mit den Bolzenmuttern ausgeglichen – mit der zweiten Mutter kontern.

Nur mit GL 60 oder Motorenöl abschmieren.

Bild 137

Die ES/2 einmal von unten!

  1. Ölablaßschraube für Primärantrieb
  2. Ölablaßschraube für Getrieberaum
  3. Befestigungsschrauben für Fußrasten
  4. Schaltarretierschraube

8.7 Bremsen instandsetzen


nächster Punkt ; Index

Bild 138

Hinterer Bremsgegenhalter, ein Bremsbacken abgenommen.

Beide Lagerbolzen (1) müssen festsitzen, sonst neigt die Bremse zum Blockieren.

Lagerbolzen und Bremsschlüssel mit Wälzlagerfett ‚Ceritol‘ schmieren.

Beim Ausbau der Bremsbacken diese markieren, damit sie wieder an die Stelle kommen, wo sie sich eingelaufen
haben.

Abrieb entfernen, anlaufende Seite der Bremsbacken anschrägen. Die Kontaktzunge (2) für das Bremslicht (hier
bekommt es Masse) und die Fläche der Kontaktschraube säubern. Eventuell die Kontaktzunge nachbiegen, damit
diese beim Betätigen des Bremshebels am Kontakt mit etwas Vorspannung anliegt.

Bild 139

Original-Bremsbacken sind überschliffen, demzufolge tragen sie einwandfrei.

Regenerierte Bremsbacken oder solche mit genietetem Belag müssen tuschiert werden.

Bremsen einbauen und mehrmals betätigen. An den Kreidestrichen ist ersichtlich, wo die Bremsbacken anliegen
und wo nicht.

Mit grober Feile nacharbeiten, bis – von der Mitte ausgehend – mindestens drei Viertel der Fläche tragen.
Anlaufende Seite anschrägen.

Steht jedoch eine Drehmaschine zur Verfügung, dann sind aufgenietete Beläge zu überdrehen. Dazu wird der
komplette Bremsgegenhalter an der Bohrung für die Steckachse aufgenommen.

8.8 Hinterradantrieb zerlegen


nächster Punkt ; Index

Bild 140

Mutter am Flanschbolzen lösen und Kompletten Antrieb herausnehmen.

Mit der Spitzzange den Sprengring 47×1,75 entfernen.

Bild 141

Flanschbolzen zusammen mit Lager 6005 durchschlagen.

Die Flanschbolzenmutter wird dazu bündig aufgeschraubt, damit der erste Gewindegang nich beschädigt wird.

Bild 142

Dämpfungsgummi auswechseln.

Die Sicherungsbleche der vier Schrauben M14x25 aufbiegen und letztere herausdrehen (siehe auch Bilder 141
und 143). Der Dämpfungsgummi kann jetzt herausgenommen werden.

Bild 143

Beim Zusammenbau darauf achten, daß das Kettenrad nicht falsch verschraubt wird:

Die Langlöcher des Kettenrades müssen mit den Bohrungen im Dämpfungskörper und -gummi übereinstimmen

Die glatte Seite des Kettenrades liegt am Gummi an.

Bild 144

Den Dichtgummi am Radlager auf der Bremsringseite nicht vergessen, damit die Bremse nicht durch
abgeschleudertes Fett verschmiert und damit unwirksam wird. Auf der Mitnehmerseite (im Spiegelbild) ist kein
Dichtgummi vorgesehen.

8.9 Radlager wechseln


nächster Punkt ; Index

Bild 145

Ausbau der Radlager 6302 mit Hilfe des Spezialdornes H 8-820-3.

Die Schraube in der Spreizhülse zurückdrehen und, nachdem das Lager herausgeschlagen wurde, wieder
hineindrehen. Dadurch lösen sich Hülse und Dorn – das Lager kann abgezogen werden.

8.10 Sekundärkette auflegen bzw. auswechseln


nächster Punkt ; Index

Bild 146

Die Kette wird mit Hilfe eines Drahthakens durch die Kettenschläuche gezogen.

Bild 147

Zum Überprüfen der Kette (bei komplettem Fahrzeug) an diese eine alte, aber saubere Kette anhängen (auch
Verschlußfeder darauf) und erstere herausziehen. Damit sparen Sie sich unnötige Montagearbeiten.

Bild 148

Hat die Kette in den Rollen und Bolzen so viel Spiel (siehe Bild), dann muß unbedingt eine neue aufgelegt
werden.

Hat das Getriebekettenrad schon ‚Haifischzähne‘, muß auch dieses erneuert werden.

Keine flasche Sparsamkeit, was bei einem Kettenriß zerstört wird, kostet wesentlich mehr als eine neue Kette!

Bild 149

Zum Einschieben des Kettenverschlusses die Kettenenden mit einer Spitzzange zusammendrücken und von
hinten den Verschluß einschieben. Auf richtigen und klapperfreien Sitz der Verschlußfeder achten.

Nur Original-Kettenschlösser verwenden – der Bolzendurchmesser ist bei den einzelnen Kettenfabrikaten
verschieden. Durch ein nicht passendes Kettenschloß kann die neue Kette reißen!

Bild 150

Querschnitt des Kettenschlauches.

Das Mittelprofil führt die Kette, deshalb regelmäßig für Schmierung sorgen.

Kein Abschmierfett, sondern Getriebeöl GL 60 verwenden.

Für das Ausland wird Motorenöl SAE 40 empfohlen.

8.11 Tachoantrieb


nächster Punkt ; Index

Bild 151

Tachoantrieb zerlegt.

Entsprechend einer evtl. geänderten Sekundärübersetzung (SW-Betrieb, Austauschmotor) muß auch der
Tachoantrieb abgestimmt werden.

Durch Herausschrauben des Schmiernippels (1) wird die Lagerbuchse (2) frei und kann zusammen mit dem
Ritzel abgezogen werden.

Schraubenrad (3) und Ritzel (4) sind an der Stirnseite signiert.

  • ES 175/2: 175/17
  • ES 250/2: 300/21
  • ES 250/2 mit SW: 175/17

Bild 152

Tachoantrieb montiert.

Abgeschmiert wird dieser mit Getrieböl GL 60.

Die Bohrung in der Tachowelle (Pfeil) nicht verschließen, sonst wird überschüssiges Schmiermittel – bedingt
durch den Drall der Tachowelle – in den Tacho befördert und macht diesen unbrauchbar.

Die Rändelmutter der Spirale oben am Tacho gefühlvoll anziehen, damit die Lagerung der Antriebswelle des
Tachos nicht geklemmt wird.

8.12 Schalldämpfer reinigen


nächster Punkt ; Index

Bild 153

Schalldämpfer zerlegt.

Die markierten Stellen von Verbrennungsrückständen säubern. Ist der ganze Schalldämpfer verschmutzt, so muß
die Vergasereinstellung (Verschleiß?) überprüft werden, oder es wird nicht mit dem vorgeschriebenen
Mischungsverhältnis gefahren. Das Auspuffrohr wird nicht gereinigt – die Ölkohleschicht schützt das Rohr vor
unerwünschter Wärmeaufnahme.

Bei der Montage die beiden Muttern (1) nicht einfach festziehen, sondern gegeneinander kontern. Mit der
Klemmschelle (2) wird die Trennfuge am Endstück (3) verdeckt. Asbestschnur von 2 mm Dmr. zwischenlegen.

Das Endstück ist so aufzuschieben, daß die Bohrungen (4) im Staurohr gegen die Düsen (5) um 90 ° versetzt
stehen. Bei Nichtbeachten kann eine Leistungsminderung von etwa 0,5 PS eintreten.

8.13 Kettendurchhang überprüfen


nächster Punkt ; Index

Bild 154

Geprüft wird nur bei belastetem Fahrzeug und vollständigem Kettenumlauf.

Nicht bei unbelastetem Fahrzeug prüfen, denn in der Mittellage der Schwinge (also im belasteten Zustand) wird
der Kettendurchhang geringer! Nicht nur den elastischen Kettenschlauch, sondern auch wirklich die Kette
überprüfen!

8.14 Hinterrad spuren


nächster Punkt ; Index

Bild 155

So werden die Räder gespurt!

Die einwandfrei gerade Spurlatte muß an vier Punkten der Reifen anliegen. Dabei berücksichtigen, daß der
Hinterreifen 3,50 und der Vorderreifen 3,25 bzw. 3,00 Zoll hat. Es muß deshalb vorn beiderseitig ein
gleichmäßiger Spalt vorhanden sein.

Nicht fluchtende Räder bringen das Fahrzeug zum ‚Schwimmen‘, außerdem in Kurven erhöhte Neigung zum
seitlichen Wegrutschen!

Deshalb nach jedem Hinterradausbau die Räder fluchten!

9 Federbeine instandsetzen


nächster Punkt ; Index

Bild 156

Federbein zerlegt.

Obere Schutzhülse niederdrücken, dadurch werden beide Stützringhälften frei und können herausgenommen
werden.

Schutzhülsen und Druckfeder abziehen. Mit dem Spezialschlüssel 05-MW 82-4 die Verschlußmutter lösen und
den kompletten Dämpfungseinsatz herausziehen.

Alle Teile gründlich in Waschbenzin säubern, auch das Mantelrohr ausspülen.

Bild 157

Dämpfungseinsatz – Kolbenrohr (1) und Bodenstück (2) abgezogen. Am Kolben (3) sitzt oben das konstante
Rückschlag-(Platten-)Ventil, unten das einstellbare Dämpfungsventil. Damit wird der Dämpfungsdruck
einreguliert. Das Ventil am Bodenstück wirkt als Sicherheitsventil, wenn durch Überlastung oder niedrige
Außentemperaturen die Dämpfungsflüssigkeit nicht schnell genug durch die kleinen Kolbenbohrungen strömen
kann. Der Vorratsraum zwischen Mantel- und Kolbenrohr nimmt die verdrängte Dämpfungsflüssigkeit auf – beim
Ausfedern wird sie wieder in das Kolbenrohr gesaugt. Der Vorratsbehälter ist nahezu drucklos, die eigentliche
Dämpfungsarbeit wird im Kolbenrohr geleistet.

Bild 158

Defektursachen:

  1. Die Stoßdämpfer sind wirkungslos, ohne sichtbaren Ölverlust. Ursache: Fremdkörper zwischen den Membranen des Kolbenventils.
  2. Dämpfung setzt nicht weich, sondern ruckartig ein, Die Federbeine ’stempeln‘. Ursache: Zu wenig Dämpfungsflüssigkeit oder Bodenventil undicht.
  3. Dämpfungsflüssigkeit läuft aus. Ursache: Radialdichtring AC 10x19x7 (A) undicht.

Bitte bei der Montage beachten: Bei einbaurichtig stehendem Federbein muß die Lippe des Dichtringes nach
unten (Druckseite) zeigen!

Bild 159

Zum Auswechseln des Radialdichtringes AC 10x19x7 die obere Federbeinaufnahme (1) entfernen:

Zylinderkerbstift 4×20 (2) von der schwachen Seite herausschlagen (an den Eindrückspuren ersichtlich). Obere
Federbeinaufnahme und Kolbenstange für die Wiedermontage mit leichten Körnerschlägen markieren, beide
Teile müssen wieder in die ursprüngliche (seitengleiche) Stellung kommen. Nachdem die Federbeinaufnahme
abgezogen ist, die Stiftbohrung der hartverchromten Kolbenstange beiderseitig mit einem Ölstein entgraten. Den
neuen Radialdichtring (3) mit einer Graphitpaste (Heißlagerfett Ceritol, Bosch o. ä. mit kolloidalem Graphit)
einsetzen.

Bild 160

Neue Dichtringe nur mit der konischen Montagehülse 05-MV 93-4 (A) aufschieben, sonst werden die
Dichtlippen durch die scharfkantige Kolbenstange beschädigt.

Beim Aufsetzen der oberen Federbeinaufnahme auf die angebrachte Markierung achten.

Nur neue Zylinderkerbstifte verwenden!

Von der weiten Bohrungsseite her einschlagen.

Weitere Einzelteile des Stoßdämpfers, besonders die Regelorgane, können nicht ausgewechselt werden, weil zum
Einstellen eine verhältnismäßig aufwendige Hydraulikmaschine erforderlich ist. Es sind zwei komplette
Dämpfungseinsätze zu verwenden.

Nach längerer Betriebszeit – wenn der noch funktionstüchtige Einsatz bereits etwas weniger dämpft – beide
Einsätze erneuern, um auf gleiche Dämpfungswerte zu kommen. Mit dem zylindrischen Oberteil des
Spezialschlüssels 05-MW 82-4 Scheibe und Gummi im Mantelrohr niederdrücken und das Gewindestück mit
etwa 5 kpm festziehen – im Arbeitszalinder können Drücke bis zu 85 at auftreten!

Bild 161

  • Vorderer Stoßdämpfer
  • Hinterer Stoßdämpfer
  • Aus der Signierung der Federbeine sind u. a. die Prüfwerte (Hydraulikgerät) ersichtlich:

    A mit runder oberer Federbeinaufnahme
    120 Prüfdrehzahl für vorderes Federbein
    100 Prüfdrehzahl für hinteres Federbein
    64 Dämpfkraft in kp für vorn
    76 Dämpfkraft in kp für hinten
    /8 Rücklauf in kp
    OV ohne Verstellung (vorn)
    MV mit Verstellung (hinten)
    1,51 Zeichnungs-Nr. des Herstellers

    Die zulässige Dämpfkraft-Toleranz von 16 kp ist in zwei Gruppen unterteilt und auf der oberen
    Federbeinaufnahme (Aluteil) durch eine Strich (Meiselhieb) oder Punkt (Körnerschlag) gekennzeichnet. Es
    dürfen nur Dämpfungselemente mit gleichen Werten – also Strich zu Strich oder Punkt zu Punkt – gepaart
    werden.

    Bei der neuen oberen Federbeinaufna´hme aus Stahl erfolgt die Kennzeichnung durch einen Farbpunkt im
    Inneren der Aufnahme, an der Stirnseite der Kolbenstange.

    Gelb = Obere Toleranzgrenze
    Grün = Untere Toleranzgrenze

    Auch hier nur gelb mit gelb und grün mit grün paaren!

    Ab II. Quartal 1969 ist die Dämpfkraft der hinteren Federbeine von 76 auf 96 kp erhöht, bitte beachten!

    Bild 162

    Behelfsmäßiges Überprüfen des Dämpfungswertes:

    Beide Dämpfer etwa zehnmal durchpumpen und an einem Rohrstück (oder Besenstiel) aufhängen. Beide
    Gewichte gleichzeitig freigeben und beobachten – evtl. mit einem Helfer -, ob beide Dämpfer gleichzeitig in der
    Endlage ankommen oder micht.

    Gleicher Dämpfungswert der Federbeine ist die Voraussetzung für gute Straßenlage.

    Als Belastung nicht mehr als 2 kp anhängen, damit die Stoßdämpfer so langsam niedergehen, daß evtl.
    Abweichungen ersichtlich werden.

    Laufzeit vorn 4…4,5 Sekunden
    Laufzeit hinten 5…5,5 Sekunden.

    Auch die Federbein-Druckfedern sind geprüft und gepaart. Nicht ein einzelnes Federbein oder Druckfeder,
    sondern nur gepaart auswechseln.

    Zur Komplettierung der Federbeine sind die Druckfedern mit zähflüssigem Fett einzupinseln (sofern sie nicht
    schon werksseitig mit einem Schutzlack versehen wurden). Dieses soll außer als Rostschutz, noch
    geräuschmindernd wirken. Abschmierfett oder Öl ist ungeeignet – die Dämpfungselemente erwärmen sich bei
    starker Beanspruchung, das dadurch ablaufende Öl oder Fett erweckt den unberechtigten Verdacht, die Dämpfer
    seien undicht.

    In den vorderen Federbeinen liegt zwischen Mantelrohr und Druckfeder der ‚Federgeräuschdämpfer‘. Diese
    Pertinaxhülse verhütet ein seitliches Durchbiegen der Druckfeder und damit das Klappern und Schaben der
    Schutzhülsen.

    Bei Bedarf kann diese Hülse auch für die hinteren Federbeine verwendet werden.

    10 Verzeichnis der Sonderwerkzeuge


    nächster Punkt ; Index

    1. 02-MW 39-4 Ankerabziehschraube
    2. 05-MW 45-3 Gegenhalter für Getriebekettenrad
    3. 05-MV 45-3 Abzieher für Getriebekettenrad und 68zähniges Antriebsrad
    4. 05-MW 20-4 Kupplungsabzieher
    5. 05-MW 15-3 Gegenhalter für 68zähniges Antriebsrad
    6. 05-MV 190-3 Ausdrückvorrichtung für Kolbenbolzen
    7. 05-MV 70-2 Gehäusetrennschraube mit Einlegering für Kurbelwelle
    8. 05-MV 71-2 Trennschraube für Antriebswelle
    9. 05-MV 69-2 Ausdrückvorrichtung für Kurbelwelle
    10. 05-MW 92-4 Schlagdorn für Kurbelwellenlager 6305
    11. 05-MW 91-4 Schlagdorn für Kurbelwellendichtring
    12. 05-MW 106-4 Schlagdorn für Lager 6204 auf Abtriebswelle und Lager 6203 auf der Antriebswelle
    13. 02-MW 60-3 Profilsteckschlüssel für Schaltwalze
    14. 05-ML 24-3 Prüfdorn (22mm) und Lineal zum Pleuelrichten
    15. 05-MV 49-4 Führungshülse für Schaltwelle
    16. 05-MW 16-4 Kolbenunterlage
    17. 05-MW 141-4 Kolbenringzange
    18. 06-MW 3-4 Spannring für Kolbenringe 58 mm (ES 175/2)
    19. 05-MW 147-4 Spannring für Kolbenringe 69 mm (ES 250/2)
    20. 05-MW 19-4 Führungsdorn für Kolbenbolzen
    21. 05-ML 13-4 Meßeinrichtung für das Axialspiel am 28zähnigen Antriebsrad
    22. 05-MV 150-2 Kupplungsspannvorrichtung
    23. 05-MW 26-4 Zenrierdorn für die Schwingarme
    24. H 8-820-3 Spreizdorn für Radlager
    25. 05-MV 93-4 Montagehülse für Radialdichtring
    26. 05-MW 82-4 Spezialschlüssel für Stoßdämpfer-Verschlußmutter

    11 Selbstbauskizzen für Sonderwerkzeuge


    nächster Punkt ; Index

    02-MW 39-4 Ankerabziehschraube
    nächste Zeichnung ; Liste

    05-MW 45-3 Gegenhalter für Getriebekettenrad
    nächste Zeichnung ; Liste

    05-MV 45-3 Abzieher für Getriebekettenrad und 68zähniges Antriebsrad
    nächste Zeichnung ; Liste

    05-MW 20-4 Kupplungsabzieher
    nächste Zeichnung ; Liste

    05-MW 15-3 Gegenhalter für 68zähniges Antriebsrad
    nächste Zeichnung ; Liste

    05-MV 190-3 Ausdrückvorrichtung für Kolbenbolzen
    nächste Zeichnung ; Liste

    05-MV 70-2 Gehäusetrennschraube mit Einlegering für Kurbelwelle
    nächste Zeichnung ; Liste

    05-MV 71-2 Trennschraube für Antriebswelle
    nächste Zeichnung ; Liste

    05-MV 69-2 Ausdrückvorrichtung für Kurbelwelle
    nächste Zeichnung ; Liste

    05-MW 92-4 Schlagdorn für Kurbelwellenlager 6305
    nächste Zeichnung ; Liste

    05-MW 91-4 Schlagdorn für Kurbelwellendichtring
    nächste Zeichnung ; Liste

    05-MW 106-4 Schlagdorn für Lager 6204 auf Abtriebswelle und Lager 6203 auf der Antriebswelle
    nächste Zeichnung ; Liste

    02-MW 60-3 Profilsteckschlüssel für Schaltwalze
    nächste Zeichnung ; Liste

    05-ML 24-3 Prüfdorn (22mm) und Lineal zum Pleuelrichten
    nächste Zeichnung ; Liste

    05-MV 49-4 Führungshülse für Schaltwelle
    nächste Zeichnung ; Liste

    05-MW 16-4 Kolbenunterlage
    nächste Zeichnung ; Liste

    05-MW 141-4 Kolbenringzange
    nächste Zeichnung ; Liste

    06-MW 3-4 Spannring für Kolbenringe 58 mm (ES 175/2)
    nächste Zeichnung ; Liste

    05-MW 147-4 Spannring für Kolbenringe 69 mm (ES 250/2)
    nächste Zeichnung ; Liste

    05-MW 19-4 Führungsdorn für Kolbenbolzen
    nächste Zeichnung ; Liste

    05-ML 13-4 Meßeinrichtung für das Axialspiel am 28zähnigen Antriebsrad
    nächste Zeichnung ; Liste

    05-MV 150-2 Kupplungsspannvorrichtung
    nächste Zeichnung ; Liste

    05-MW 26-4 Zenrierdorn für die Schwingarme
    nächste Zeichnung ; Liste

    H 8-820-3 Spreizdorn für Radlager
    nächste Zeichnung ; Liste

    05-MV 93-4 Montagehülse für Radialdichtring
    nächste Zeichnung ; Liste

    05-MW 82-4 Spezialschlüssel für Stoßdämpfer-Verschlußmutter
    Liste

    12 Umrechnungstabelle


    nächster Punkt ; Index

    1 internationaler Zoll (") = 25,4mm
    (Ab 1. 7. 1959 ist englischer und amerikanischer Zoll gleichgestellt.)

    1 Meile = 1,61 km

    1. Millimeter in Zoll
      • 1 mm = 0,0394 "
      • 0,5 mm = 0,0197 "
      • 0,1 mm = 0,0039 "
      • 0,01 mm = 0,0004 "
    2. Zollbrüche in Millimeter
      • 1/64 " = 0,397 mm
      • 1/32 " = 0,794 mm
      • 1/16 " = 1,588 mm
      • 1/8 " = 3,175 mm
      • 1/4 " = 6,350 mm
      • 1/2 " = 12,700 mm
    3. Kilometer in Meilen
      • 1 km = 0,621 Meilen
      • (1 Meile = 1,61 km)
    4. Celciusgrade in Fahrenheitgrade
      • -20°C = -4°F
      • 0°C = 32°F
      • 50°C = 122°F
      • 80°C = 176°F
      • 100°C = 212°F
    5. Liter in Gallon und Pint
      • 1 US-Gallon = 3,785 Liter (l)
      • 1 US-Pint = 0,4732 Liter
      • 1 engl. Gallon = 4,546 Liter
      • 1 engl. Pint = 0,5682 Liter

    Anhang


    nächster Punkt ; Index

    Dem Wunsch vieler MZ-Freunde nach einem sportlichen Motorrad entsprechend, wurde eine neue MZ
    für entwickelt –

    die ETS 250 Trophy-Sport.

    In ihrer Grundkonzeption entspricht sie der ES 250/2. Deshalb ist bei der Instandsetzung der ‚Trophy-Sport‘ auch
    das Reparaturhandbuch der ES 175/2 – ES 250/2 als Arbeitsvorlage zu verwenden. In vorliegender
    Reparaturanleitung werden als Ergänzung zum Reparaturhandbuch nur die Bauteile behandelt, die von der ES
    250/2 abweichen.

    Unter ‚Technischen Daten‘ sind in einer Kurzbeschreibung alle technischen Daten zusammengefaßt.

    VEB MOTORRADWERK ZSCHOPAU
    – Abt. Kundendienst –

    Bild A1. ETS 250 Trophy-Sport


    Inhaltsverzeichnis

    1 Technische Daten
    1.1 Motor
    1.2 Vergaser
    1.3 Elektrische Anlage
    1.4 Getriebe
    1.5 Kraftübertragung
    1.6 Fahrgestell
    1.7 Maße und Massen (Gewicht)
    1.8 Füllmengen
    1.9 Höchstgeschwindigkeit
    1.10 Diagramme
    2 Betriebsmittel
    2.1 Kraftstoff
    2.2 Motorenöl
    2.3 Mischungsverhältnis
    2.4 Schmiermittel für Kraftübertragung
    2.5 Schmiermittel für Fahrgestell
    2.6 Stoßdämpferfüllung (Telegabel und Federbeine)
    3 Demontage des Motors
    4 Motor zusammenbauen
    4.1 Kurbelwelle
    4.2 Zylinder
    4.3 Verdichtungsverhältnis kontrollieren
    4.4 Verbrennungsraum auslitern
    5 Elektrische Anlage
    5.1 Zündeinstellung mit Gradscheibe
    5.2 Scheinwerfer geöffnet
    5.3 Einstellschema
    5.4 Scheinwerfer nachstellen
    6 Ansaugsystem
    7 Vergaser
    7.1 Vergasergrundeinstellung für leistungsgesteigerte Motoren
    8 Fahrgestell
    8.1 Rahmen
    8.2 Lenkungslager prüfen
    8.3 Lenkungslager nachstellen
    8.4 Gabelholme ausbauen
    8.5 Teleskopgabel instandsetzen
    8.6 Gabelholme einbauen
    8.7 Stoßdämpferfüllung kontrollieren
    8.8 Kraftstoffbehälter, Sitzbank, Werkzeugbehälter
    8.9 Schalldämpfer
    9 Federbeininstandsetzung
    10 Verzeichnis der Sonderwerkzeuge


    1 Technische Daten


    1.1 Motor


    nächster Punkt ; Index

      ES 175/2 (16 SAE-PS) ES 250/2 (21 SAE-PS) und
    ETS 250 Trophy-Sport
    Arbeitsverfahren Zweitakt (Umkehrspülung) Zweitakt (Umkehrspülung)
    Kühlungsart Luft (Fahrtwind) Luft (Fahrtwind)
    Zylinderzahl 1 1
    Hub / Bohrung (in mm) 65 / 58 65 / 69
    Hubraum 172 ccm 243 ccm
    Verdichtungsverhältnis 9,5 … 10:1 9,5 … 10:1
    Verdichtungsraum des Zylinderdeckels (im montierten Zustand) etwa 20 ccm etwa 27 ccm
    Max. Leistung 10,7 kW = 14,5 DIN-PS = 16 SAE-PS bei 5000…5400 U/min 14,0 kW = 19,0 DIN-PS = 21 SAE-PS bei 5200…5500 U/min
    Max. Drehmoment 2,0 kpm bei 4700…5000 U/min 2,7 kpm bei 4700…5000 U/min
    Schmierung Mischungsverhältnis 33:1 mit Zweitakt-Motorenöl
    Pleuellager käfiggeführtes Nadellager für Hubzapfen (K 28x35x20) und Kolbenbolzen (KK 18x22x24 F)
    Kurbelwellenhauptlager 2 Lager 6305 c 003 f (geräuscharm)
    1 Lager 6302
    Schmierung der Kurbelwellenhauptlager durch Getriebeschmiermittel
    Kolben mit 3 Kolbenringen, Ringsicherung außermittig (Z-Ringe)
    Kolbenmasse mit Ringen, Bolzen und Sicherungen 240 +5g 360 +5g
    Zylinder (Breitrippen) mit umgossener Laufbuchse aus Sondergrauguß
    Steuerzeiten in Grad Kurbelwinkel  
    Einlaß 150° 155°
    Überströmen 116° 118°
    Auslaß 170° 170°
    Kraftstoff VK 88 (ROZ 88) VK 88 (ROZ 88)

    1.2 Vergaser


    nächster Punkt ; Index

      ES 175/2 (16 SAE-PS) ES 250/2 (21 SAE-PS) und
    ETS 250 Trophy-Sport
    Typ BVF 26 N 1-2 (Startvergaser) BVF 28 N 1-3 (Startvergaser)
    Durchlaß in mm 26 28
    Hauptdüse 105 115
    Nadeldüse 67 67
    Teillastnadel Nr. D 1 mit 7 Kerben D 1 mit 7 Kerben
    Nadelstellung von oben 4…5 *) (5. für die Einfahrzeit) 3…4 *) (4. für die Einfahzeit)
    Startdüse 90 100
    Leerlaufdüse 40 40
    Schwimmernadelventil 18 18
    Leerlaufluftschraube 2 … 3 Umdrehungen offen 2 … 3 Umdrehungen offen
    Übergangsbohrung 1,5 mm 1,5 mm
    Leerlaufbohrung 0,8 mm 0,8 mm
    *) Für die Einstellung ist neben dem Fahrverhalten das Kerzengesicht maßgebend!

    1.3 Elektrische Anlage


    nächster Punkt ; Index

      ES 250/2 (21 SAE-PS) und
    ETS 250 Trophy-Sport
    Zündung Batteriezündung
    Zündzeitpunkt 3,0 -0,5mm vor OT (bei voll ausgedrückten Fliehgewichten, ab IV. Quartal 1970 ohne Verstellung) = 22°15′ Kurbelwinkel
    Unterbrecherkontaktabstand 0,3 +0,1mm
    Zündkerze Isolator M 14/260
    Elektrodenabstand 0,6 mm
    Lichtmaschine Gleichstrom, 6 V, 60 W, Kurzzeitig 90 W
    Ladekontrollampe (rot) im Tachometer
    Regler RSC 60/6, unter der linken Verkleidung
    Batterie 6 V, 12 Ah (Bleisammler-Flachbatterie)
    Zündspule 6 V, unter der linken Verkleidung
    Scheinwerfer Lichtaustritt 160 mm, ab III. Quartal 1970 170 mm, asymmetrisch
    Abblendschalter am Lenker links
    Schlußleuchte kombiniert Lichtaustritt 95 mm
    mit Bremslicht Kontakt am hinteren Bremsschlüssel
    Signalhorn unter dem Kraftstoffbehälter
    Lichthupe wird durch Druckknopf unter dem Abblendschalter betätigt
    Glühlampen  
    Bilux 6 V, 45/40 W, Abblendlicht asymmetrisch
    Standlicht 6 V, 4 W, Sockel BA 9 s
    Bremslicht 6 V, 18 W, Sockel S 8,5
    Schlußleuchte 6 V 5 W, Sockel S 8
    Blinker 6 V, 18 W, Sockel S 8,5
    Ladekontrolle 6 V, 1,2 W
    Leerlaufanzeige 6 V, 1,2 W
    Tachobeleuchtung 6 V, 1,2 W

    1.4 Getriebe


    nächster Punkt ; Index

      ES 250/2 (21 SAE-PS) und
    ETS 250 Trophy-Sport
    Kupplung auf dem linken Kurbelwellenstumpf – im Ölbad (5 Reibscheiben mit Korkanteil)
    Schaltung Fußschaltung (über Ratsche, Segment und Kurvenwalze)
    Anzahl der Gänge 4
    Getriebeabstufung  
    1. Gang 2,77:1 = 13:36 Zähne
    2. Gang 1,8:1 = 15:27 Zähne
    3. Gang 1,23:1 = 22:27 Zähne
    4. Gang 0,92:1 = 25:23 Zähne
    Lager auf Antriebswelle 6204 (20x47x14) und 6203 (17x40x12)
    Lager auf Abtriebswelle 6203 (17x40x12) und 6204 (20x47x14)
    Leerlaufanzeige elektrische Kontrollampe (grün) im Tacho

    1.5 Kraftübertragung


    nächster Punkt ; Index

      ES 250/2 (21 SAE-PS) und
    ETS 250 Trophy-Sport
    Übersetzung Motor – Getriebe  
    durch schrägverzahnte Stirnräder 2,43 : 1 = 28 : 68 Zähne
    Übersetzung Getriebe – Hinterrad durch Rollenkette 2,14 : 1 = 21 : 45 Zähne
    12,7×7,75×8,51 mm (1/2×5/16 Zoll) 118 Glieder
    Gesamtübersetzung  
    1. Gang 14,41 : 1
    2. Gang 9,40 : 1
    3. Gang 6,40 : 1
    4. Gang 4,78 : 1

    1.6 Fahrgestell


    nächster Punkt ; Index

      ES 250/2 (21 SAE-PS) und
    ETS 250 Trophy-Sport
    Rahmen Geschlossener Einrohrrahmen, geschweißt, Steuerkopf hart gelötet. Elastische Motoraufhängung in Silentblöcken
    Lenkungswinkel 63°
    Nachlauf 85 mm
    Art der Federung  
    vorn Teleskopgabel mit ölhydraulischer Dämpfung. Federung progressiv – Federweg 145 mm
    hinten Federbein mit ölhydraulischer Dämpfung, Federhärte verstellbar, Federweg 105 mm
    Räder Drahtspeichenräder mit ungekröpften Speichen
    Felgengröße  
    vorn 1,60 x16
    hinten 2,15 Bx16
    Bereifung  
    vorn 2,75-18
    hinten 3,50-16
    Reifenluftdruck (at Überdruck)  
    vorn 1,5 at
    hinten 1,9 at für Solofahrt
    hinten 2,1 at für Soziusfahrt
    Bremsen Vollnabenbremsen,
    Durchmesser 160 mm
    Backenbreite 30 mm

    1.7 Maße und Massen (Gewicht)


    nächster Punkt ; Index

      ES 250/2 (21 SAE-PS) und
    ETS 250 Trophy-Sport
    Radstand 1380 mm
    Länge 2200 mm
    Breite mit/ohne Spiegel 750/610 mm
    Höhe mit/ohne Spiegel 1060/1030 mm
    Bauchfreiheit, belastet 160 mm
    Eigenmasse 151 kg
    Tragfähigkeit 169 kg
    Zulässige Gesamtmasse 320 kg

    1.8 Füllmengen


    nächster Punkt ; Index

      ES 250/2 (21 SAE-PS) und
    ETS 250 Trophy-Sport
    Getriebe 750 ccm Getriebeöl GL 60 für Sommer und Winter
    Kraftstoffbehälter etwa 22 l Kraftstoffmischung
    davon Reserve etwa 1,5 l
    Teleskopgabel 215 ccm Stoßdämpferöl ‚Globo‘ je Holm
    Federbeine, hinten je 70 ccm Stoßdämpferöl ‚Globo‘ Viskosität 1,65 … 1,92°E bei 50°C = 8 … 11 cStokes/50°C

    1.9 Höchstgeschwindigkeit


    nächster Punkt ; Index

    etwa 125 km/h


    Änderungen in Konstruktion und Ausstattung sind im Interesse der technischen Weiterentwicklung vorbehalten.

    1.10 Diagramme


    nächster Punkt ; Index

    Bild A2; Leistung, spezif. Verbrauch und Drehmoment der ETS 250 Trophy-Sport und ES 250/2 mit 21 SAE-PS

    Bild A3; Straßenverbrauch der ETS 250 Trophy-Sport und ES 250/2 im IV. Gang

    2 Betriebsmittel


    2.1 Kraftstoff


    nächster Punkt ; Index

    Entsprechend der konstruktiven Auslegung des Motors ist ein Vergaser-Kraftstoff von 88 Oktan – also VK 88 –
    zu verwenden.

    Für das Ausland werden Kraftstoffe mit ähnlicher Oktanzahl empfohlen.

    Bei hochoktanischen Kraftstoffen kann eine Nachregulierung (Umhängen der Teillastnadel) des Vergasers
    erforderlich werden.

    2.2 Motorenöl


    nächster Punkt ; Index

    Beide Pleuellager sowie Zylinderlaufbahn und Kolben werden durch die einfache und betriebssichere
    Mischungschmierung mit Öl versorgt. Unsere langjährigen Erfahrungen veranlassen uns, die ausschließliche
    Verwendung von

    Zweitakt-Motorenöl

    vorzuschreiben.

    Durch unlegierte Motorenöle verursachte Motorenschäden werden vom MZ nicht als Garantiefall anerkannt.

    2.3 Mischungsverhältnis


    nächster Punkt ; Index

    Bei Verwendung von Zweitakt-Motorenöl ist das Mischungsverhältnis während und nach der Einfahrzeit 33:1.

    Es werden immer 10 l Kraftstoff mit 0,30 l Zweitakt-Motorenöl gemischt, das sind 3% Ölanteil.

    2.4 Schmiermittel für Kraftübertragung


    nächster Punkt ; Index

    Als Füllmenge für Getriebe und Primärantrieb sind 0,75 l (750 ccm) Getriebeöl GL 60 erforderlich.

    Viskosität: 7 … 9 °E/50°C = 53 … 68 cStokes/50°C
    (entspricht etwa SAE 80 EP)

    Im Ausland:

    Steht kein Getriebeöl mit obenstehender Viskosität zur Verfügung, dann unlegiertes Motorenöl SAE 40
    (Mineralöl) als Getriebeschmiermittel verwenden.

    Zur Schmierung der Sekundärkette ist Getriebeöl GL 60 oder Wälzlagerfett +K3 zu verwenden.

    Das Lager 6005 im Hinterradantrieb wird wie die Lenkungs- und Radlager mit Wälzlagerfett +K3 geschmiert.

    2.5 Schmiermittel für Fahrgestell


    nächster Punkt ; Index

    Alle Schmierstellen des Fahrgestells (auch der Tachoantrieb) werden durch eine ölgefüllte Fettpresse mit
    Getriebeöl GL 60 abgeschmiert.

    Irgendwelche Abschmierfette sind – z.B. für den Schwinglagerbolzen – absolut ungeeignet, weil nach kurzer Zeit
    durch verharztes Fett die Schmierkanäle verstopft sind. Nur die Lenkungs und Radlager sowie die
    Bremsschlüssel erhalten Wälzlagerfett ‚Ceritol‘ +K5 oder +K3.

    Tropfpunkt 145 … 155°C. Einsetzbarkeitsgrenze -25 bis +95°C.

    Im Ausland:

    Als Ersatz für Getriebeöl GL 60 ist Motorenöl mit SAE 40 verwendbar.

    Statt Wälzlagerfett Ceritol +K3 kann ein säurefreies Wälzlagerfett mit Tropfpunkt bei 150°C und Gefrierpunkt
    bei -30°C verwendet werden. Maschinen-(Stauffer-)Fett ist absolut ungeeignet.

    2.6 Stoßdämpferfüllung (Telegabel und Federbeine)


    nächster Punkt ; Index

    Alle Stoßdämpfer sind mit ‚Globo‘-Stoßdämpferöl gefült.

    Teleskopgabel:
    215 ccm je Gabelholm

    Federbein:
    70 ccm je Dämpfer

    Viskosität des Globo-Stoßdämpferöles: 1,65 bis 1,92°E/50°C = 8 … 11 cStrokes/50°C.

    Im Ausland:

    Sofern ‚Globo‘-Stoßdämpferöl nicht zur Verfügung steht, kann ein anderes Markenerzeugnis verwendet werden
    – jedoch mit gleicher Viskosität!

    3 Demontage des Motors


    nächster Punkt ; Index

    Bitte beachten: Entsprechend dem Hinweis im Vorwort werden nur die Arbeitsgänge bzw. Teile Beschrieben,
    die von der ES 250/2 abweichen. Um Suchen im Reparaturhandbuch ES 175/2 – ES 250/2 zu erleichtern, wurde
    die selbe Gliederung beibehalten, d. h. der Abschnitt ‚Elektrische Anlage‘ ist in beiden Anleitungen unter 5. oder
    ‚Fahrgestell‘ unter 8. zu finden.

    4 Motor zusammenbauen


    4.1 Kurbelwelle


    nächster Punkt ; Index

    Bild A4

    Die Kurbelwelle der leistungsgesteigerten Motoren ist mit ‚175/2/L‘ bzw. ‚250/2/L‘ gekennzeichnet und
    unterscheiden sich von der bisherigen Ausführung durch:

    1. den lichtmaschinenseitigen Wellenstumpf von 20 mm, statt bisher 17mm. Dazu gehört der Radialdichtring (1) 20x30x7 und die Dichtkappe mit 20,1mm Bohrung.
    2. der antriebsseitige Stumpf hat an den Übergangskanten Radien (2). Bei der Montage der Kupplung mit Prmärantrieb sind die Distanzscheibe 22×34 (3) und die Anlaufscheibe 19x34x2,3 (4) mit der stark angefasten Bohrungsseite zum Radius hin aufzuschieben. Andernfalls vergrößert sich nach kurzer Laufzeit das zulässige Axialspiel des 28zähnigen Antriebsrades. Bilder 74 … 76 im Hauptteil des Reparaturhandbuches beachten!

    4.2 Zylinder


    nächster Punkt ; Index

    Bild A5

    Der Zylinder ist an der Form des Einlaßfensters (a) zu erkennen. Die etwas herausgezogene Einlaßpartie bedingt
    einen kürzeren Ansaugstutzen als bei der ES/2 mit 17,5 PS.

    Das Einlaßfenster der leistungsgesteigerten 175/2-Zylinder hat dieselbe Form. Ein Umbau von 13,5 auf 14,5 PS
    ist wegen der unterschiedlichen Lochabstände (75 … 65 mm) am Ansaugstutzen und schwieriger
    Vergaserabstimmung nicht möglich.

    Wird er auf die ES 175 (12 PS) montiert, ist der Lochabstand des Ansaugstutzens von 62 auf 65 mm
    nachzufeilen und der neue Isolierflansch anzugleichen. Für die ES 250/1 trifft sinngemäß dasselbe zu.

    Das /2-Auspuffrohr wird mit dem unteren Ende am Zylinder befestigt.

    Steuerzeiten in Grad Kurbelwinkel:

      ES 175/2 ES 250/2
    und ETS 250
    Einlaß 150° 155°
    Überströmen 116° 118°
    Auslaß 170° 170°

    Bild A6

    Für die leistungsgesteigerten Motoren ist für die ES 175/2 auch weiterhin der Kolben 58.1, für die ETS 250 und
    ES 250/2 jedoch nur noch der Kolben mit der Kurzbezeichnung ‚69,3‘ zu verwenden. Sie unterscheiden sich von
    den bisherigen Ausführungen durch außermittig sitzende Kolbenring-Arretierstifte (Pfeile). Der obere
    Kolbenring ist nicht verchromt!

    Für die Montage von Kurbelwelle, Kolben und Zylinder bitte die Abschnitte 4.1, 4.4 und 4.6 im Hauptteil des
    Reparaturhandbuches beachten.

    4.3 Verdichtungsverhältnis kontrollieren


    nächster Punkt ; Index

    Bild A7

    Damit nicht durch Zusammenkommen von Toleranzgrenzen das vorgesehene Verdichtungsverhältnis von 9,5
    …10 : 1 unter- oder überschritten wird, muß der Spalt (1) zwischen ‚Quetschkante‘ und Kolbenboden gemessen
    werden. Dazu wird durch das Kerzenloch an die gezeigte Meßstelle ein etwa 2…2,5 mm dicker Bleidraht
    geschoben und der Kolben durch einen Ringschlüssel an der Schraube des Lichtmaschinenankers über den OT
    gedreht. Am plattgedrückten Bleidrahtende kann nun mit Schieblehre oder Mikrometerschraube das vorhandene
    Spaltmaß festgestellt werden.

    Der zulässige Wert beträgt 1,2…1,6 mm.

    Um einwandfreie Betriebsverhältnisse zu sichern, muß dieses Maß unbedingt eingehalten werden.

    Für die Korrektur des festgestellten Maßabweichungen stehen Ausgleichscheiben (ähnlich Kopfdichtungen von
    0,2 und 0,4 mm Dicke zur Verfügung. Damit diese Scheiben beim Auflegen nicht verrutschen, werden sie durch
    zwei Zentrierdorne (A) (siehe Selbstbauskizzen) fixiert und der Zylinderdeckel über diese aufgelegt.

    Bild A8

    Anschließend den Zylinderdeckel durch 2 Hülsenmuttern mit etwa 2 kpm anziehen. Die Zentrierhülsen entfernen
    und die restlichen beiden Hülsenmuttern ebenfalls mit 2 kpm anziehen.

    In der Reihenfolge 1 – 3 – 4 – 2 wird etappenweise und gleichmäßig bis auf 4 kpm nachgezogen.

    Im Zweifelsfall den Spalt nochmals mit dem Bleidraht kontrollieren.

    4.4 Verbrennungsraum auslitern


    nächster Punkt ; Index

    ( Die Werte in Klammern gelten für ES 175/2)

    Bild A9

    Verbrennungsraum bei aufgeschraubetem Zylinderdeckel:

    etwa 27 ccm (etwa 20 ccm).

    Der Kolben muß dabei am OT stehen der Motor so Schrägliegen, daß die Planfläche der Kerzenbohrung
    waagerecht liegt. Um Dichtverluste zu vermeiden, wird ‚Spülöl‘ verwendet und bis zum untersten Gewindgang
    eingefüllt.

    Verbrennungsraum bei abgenommenem Zylinderdeckel und eingeschraubter Zündkerze:

    etwa 34,5 ccm (etwa 25 ccm)

    Zum Auslitern Kraftstoffgemisch verwenden – mit Meßglas einfüllen.

    5 Elektrische Anlage


    5.1 Zündeinstellung mit Gradscheibe


    nächster Punkt ; Index

    Sofern das Spezialwerkzeug ‚Zündeinstellehre H 8-2104 – 3‘ (für 30° schrägstehende Zündkerzen ) nicht zur
    Verfügung steht, kann mit einer Gradscheibe eingestellt werden, die von jedem größeren Schreibwarengeschäft
    (Schulbedarf) bezogen werden kann.

    Damit der Unterbrecher zugänglich ist, wird die Gradscheibe mit drei Fenstern versehen (bohren, sägen und
    nachfeilen).

    Der Zeiger (1) muß mindestens 2,5 … 3 mm Dick sein, damit nicht durch unbeabsichtigtes Verbiegen
    Einstellfehler entstehen.

    Bild A10

    Voraussetzung für die korrekte Zündeinstellung ist, daß der OT einwandfrei ermittelt wird. Dazu ist ein
    Anschlag (2) für den Kolbenboden anzufertigen.

    Aus einer unbrauchbaren Zündkerze wird der Keramikkörper entfernt und ein Bolzen mit nebenstehender
    Abmessung eingeschlagen. Zum Entweichen des Verdichtungsdruckes ist seitlich eine Bohrung angebracht.
    Seitlich deshalb, um vorn evtl. eine M4-Stellschraube einschrauben zu können. Damit ist der Anschlag auch für
    andere Motoren verwendbar. Nachdem der OT-Anschlag angezogen wurde (er darf nicht wackeln!), wird an der
    Lichtmaschinen-Ankerschraube (3) der Kurbeltrieb bis zum Anschlag nach links gedreht – die an der
    Zeigerspitze anliegende Gradzahl notieren. Evtl. die Scheibe vorher auf volle Gradzahl stellen. Dann zurück bis
    zum rechten Anschlag drehen und die Gradzahl (mit Minuten) ebenfalls notieren.

    Bild A11

    Genau in der Mitte des Abschnittes, den der Zeiger nicht durchlaufen hat, ist der obere Totpunkt!

    Diese Zahl ebenfalls notieren oder an der Gradscheibe markieren, dabei die Scheibe oder Zeiger nicht verstellen!

    Der Anschlag wird nun entfernt und mit der Fühllehre (Bordwerkzeug) der Unterbrecher auf

    0,3 +0,1 mm Kontaktabstand

    eingestellt. Die Lehre darf weder klemmen noch klappern, Bilder 96 und 97 im Hauptteil des
    Reparaturhandbuches beachten.

    Anschließend die Prüflampe anklemmen und den Kurbeltrieb entgegen der Motordrehrichtung – von OT aus –
    um

    22°15′

    weiterdrehen. Dabei müssen die Fliehgewichte voll geöffnet sein. (Ab IV. Quartal 1970 ohne
    Fliehgewichtsverstellung!) In der Endstellung (OT minus 22°15′) muß die Prüflampe aufleuchten.

    Zur Korrektur des Zündzeitpunktes Bild 98 im Hauptteil des Reparaturhandbuches beachten.

    Zum Schluß einmal studienhalber den Kolben langsam über den OT drehen und dabei beobachten, wieviel Grad
    am Zeiger durchlaufen, ohne daß sich der Kolben – im Wechsel von Aufwärts- zum Abwärtslauf – bewegt! Bei
    einigem Nachdenken wird dann klar werden, daß die billige Gradscheibe eine genauere Einstellung
    gewährleistet als eine Meßuhr!

    5.2 Scheinwerfer geöffnet


    nächster Punkt ; Index

    Bild A12

    Zum Abnehmen des Blendringes ist die Klemmschraube (1) etwa drei Umdrehungen zu lösen (nicht
    vollkommen herausdrehen). Durch Aushängen der Haltefeder (2) wird die Fassung mit der Biluxlampe 35/35 W
    frei.

    (3) Klemme 57 = Standlicht (liegt auf 58)
    (4) Klemme 56a = Fernlicht
    (5) Klemme 56b = Abblendlicht.

    Für das Anschließen des Zündlichtschalters Bild 103 und für die gesamte elektrische Anlage den Schaltplan Bild
    116 im Hauptteil des Reparaturhandbuches beachten.

    Für die ETS Trophy-Sport entfallen Blinkgeber und Blinkleuchten, sowie deren Zuleitungen mit der 4A-
    Sicherung.

    Ab III. Quartal 1970 kommt ein Scheinwerfer mit 170 mm Lichtaustritt und asymmetrischem Abblendlicht
    (45/40 W) zum Einsatz. Anschlüsse und Lampensockel siehe Bilder 106 und 107 im Hauptteil des
    Reparaturhandbuches.

    5.3 Einstellschema


    nächster Punkt ; Index

    Bild A13

    Die ETS mit symmetrischem Abblendlicht wird in 10 m Entfernung vom Schirm, rechtwinklich zu diesem,
    aufgestellt. Mit Spurlatte und 90°-Winkel wird entsprechend der Darstellung ausgerichtet. Das Fahrzeug ist mit
    einem Fahrer zu belasten, die hinteren Federbeine stehen auf ‚weich‘. Dabei muß die Hell-Dunkel-Grenze des
    Lichtfeldes 20 cm unter Scheinwerfermitte (‚Z‘-Linie) liegen. Zur Gegenprobe die hinteren Federbeine auf ‚hart‘
    stellen und das Fahrzeug mit dem Soziusfahrer belasten. Auch bei leichtem Wippen darf die ‚obere Grenze‘ nicht
    erreicht werden.

    Für die Einstellung mit asymmetrischem Abblendlicht hat das Bild 108 im Hauptteil des Reparaturhandbuches
    Gültigkeit.

    5.4 Scheinwerfer nachstellen


    nächster Punkt ; Index

    Bild A14

    Nach- bzw. eingestellt wird nach Lockern der beiden Scheinwerferhalteschrauben. Höher oder tiefer durch
    Kippen, seitlich durch Verdrücken des Scheinwerfers. Dazu haben beide Scheinwerferhalter Langlöcher.

    Bei starken seitlichen Abweichungen sind die Scheinwerferhalter entsprechend zu schwenken.

    6 Ansaugsystem


    nächster Punkt ; Index

    Siehe gleichen Abschnitt im Hauptteil des Reparaturhandbuches.

    7 Vergaser


    7.1 Vergasergrundeinstellung für leistungsgesteigerte Motoren


    nächster Punkt ; Index

      ES 175/2 ES 250/2 und
    ETS 250 Trophy-Sport
    Typ BVF 26 N 1-2 BVF 28 N 1-3
    Durchlaß in mm 26 28
    Hauptdüse 105 115
    Nadeldüse 67 67
    Teillastnadel Nr. D1 mit 7 Kerben C5 mit 5, oder D1 mit 7 Kerben
    Nadelstellung von oben 4…5 *) (5. für die Einfahrzeit) 3…4 *) (4. für die Einfahrzeit)
    Startdüse 90 100
    Leerlaufdüse 40 40
    Schwimmernadelventil 18 18
    Leerlaufluftschraube 2…3 Umdrehungen offen 2…3 Umdrehungen offen
    Schieberausschnitt 3 (30) 3 (30)
    Übergangsbohrung 1,5 mm 1,5 mm
    Leerlaufbohrung 0,8 mm 0,8 mm
    *) Für die Einstellung ist neben dem Fahrverhalten vorwiegend das Kerzengesicht maßgebend!

    Außer den hier aufgeführten Vergaser-Grundeinstellungen hat der Abschnitt 7 des Hauptteils des
    Reparaturhandbuches vollinhaltlich Gültigkeit.

    Statt der auf den Bildern 124, 125 und 126 gezeigten Teillast-Stufennadel Nr. K3 kommen für die Vergaser der
    leistungsgesteigerten Motoren die konischen Teillastnadeln Nr. C5 bzw. D1 zum Einsatz.

    8 Fahrgestell


    8.1 Rahmen


    nächster Punkt ; Index

    Bild A15

    Die Rahmen der ES/2 (1) und der ETS Trophy-Sport (2) unterscheiden sich dadurch, daß am ETS-Rahmen der
    obere und untere Scheinwerferhalter (3), sowie am Lagersitz für den oberen Rahmenlaufring der Bund (4) nicht
    vorhanden ist.

    In Sonderfällen ist es möglich, den Rahmen der ES/2 durch Absägen der unter (3) und (4) gezeigten
    Schweißteile für die ETS Trophy-Sport passend zu machen.

    Die vorderen Aufnahmen (5) für Einzelsitze können am Rahmen verbleiben.

    8.2 Lenkungslager prüfen


    nächster Punkt ; Index

    Bild A16

    Mit einer Hand am Kotflügel kippeln, mit der anderen Hand am unteren und oberen Lenkungslager
    (Schutzkappe) fühlen, die Lager müssen leichtgängig aber spielfrei sein.

    8.3 Lenkungslager nachstellen


    nächster Punkt ; Index

    Bild A17

    Zum Nachstellen müssen alle Schraubverbindungen der Teleskopgabel fest angezogen sein.

    Zuerst wird die Plastabdeckung (1) mit einem gekröpften Rundeisenstab (um an Kotflügel und Vorderrad
    vorbeizukommen) von unten her durch das Schaftrohr herausgeschlagen. Anschließend das Sicherungsblech (2)
    aufbiegen und mit einem Steck- oder Ringschlüssel SW41 die obere Stellmutter (3) nachziehen. Durch das
    Passungsspiel zwischen Halsmutter (4), Schaftrohr und Stellmutter (3) genügt fast immer für Korrekturen das
    Nachziehen der Stellmutter.

    Sicherungsblech (2) wieder anlegen.

    Für Neueinstellung muß der obere Klemmkopf – nach Entfernen der Verschlußschrauben (5) – abgenommen
    werden, weil die Halsmutter nicht zugänglich ist.

    (6) Oberer Gabellaufring, (7) oberer Rahmenlaufring, (8) Gummiring zum Scheinwerferhalter.

    Je 22 Kugeln a 6,35 mm Dmr.

    Punktierte oder eingelaufene Laufringe nicht nacharbeiten, sondern auswechseln – nur mit neuen Kugeln!
    Kugeln in Wälzlagerfett einsetzen (einkleben) – den unteren Klemmkopf durchstecken und oben die Halsmutter
    (4) mit Gabellaufring und Schutzkappe nur etwa zwei Umdrehungen anziehen. Dann unteren Klemmkopf
    durchhängen lassen und die Halsmutter bis zum Aufsitzen nachziehen. Nur so wird verhütet, daß Kugeln in den
    Hohlraum (9) kommen und die Lenkung blockieren!

    8.4 Gabelholme ausbauen


    nächster Punkt ; Index

    Bild A18

    Die Lenkerschellen entfernen und den Lenker auf dem Kraftstoffbehälter ablegen – Putztuch unterlegen! Das
    Vorderrad zwischen die Knie nehmen und mit einem Steckschlüssel SW24 die beiden Verschlußschrauben (1)
    entfernen. Beide Schrauben (M27x2) sind mit ‚Klarlack‘ abgedichtet und sitzen ziemlich fest!

    Beide Schrauben (2) am unteren Klemmkopf etwa drei Umdrehungen lösen, die Klemmschraube (3) lockern und
    Steckachse mit dem Vorderrad herausnehmen. Anschließend die Klemmschellen (4) der Schutzbälge lockern
    und den Kotflügel abnehmen.

    Lassen sich die Gabelholme nicht herausziehen, dann den Gewindestopfen des Spezialwerkzeuges 19-MW 22-1
    einschrauben (siehe Bild A24) und die Holme durchklopfen.

    Die Führungsrohre mit Farbpunkt an der Stirnseite markieren (links-vorn, rechts-vorn), damit sie wieder in die
    bereits eingelaufene Stellung kommen.

    Bild A19

    1. Sprengring 32×1,6
    2. Feder für Dichtring
    3. Dichtring (Kolbenringwerkstoff)
    4. Drahtsprengring 32×1,6
    5. Untere Gleitbuchse
    6. Obere Gleitbuchse
    7. Gewindering
    8. Radialdichtring D 32x45x7
    9. Stützring für Radialdichtring
    10. Sprengring 45×1,6
    11. Filzring
    12. Federstützring (Miramid)
    13. Hydraulische Durchschlagdämpfung

    8.5 Teleskopgabel instandsetzen


    nächster Punkt ; Index

    Bild A20

    1. Sprengring 32×1,4 (4 Stck.)
    2. Federring für Dichtring (2 Stck.)
    3. Dichtring aus Kolbenringwerkstoff (2 Stck.). Muß schartenfrei und Plandicht sein und sich auf dem Führungsrahr leicht verschieben lassen.
    4. Drahtsprengring 32×1,6.
    5. Untere Gleitbuchse aus Bronze (2 Stck.). Die Aussparung muß sich über den Drahtsprengring schieben lassen.
      Zulässiges Spiel zwischen Buchse und Gleitrohr = 0,1 … 0,18 mm.
    6. Obere Gleitbuchse aus Bronze (2 Stck.).
      Zulässiges Spiel zwischen Buchse und Gleitrohr = 0,08 … 0,15 mm.
    7. Gewindering (Gewinde M42x1) mit
    8. Radialdichtring (D32x45x7) sowie
    9. Stützring und
    10. Sprengring (45×1,6), jeweils 2 Stck., sind so einzusetzen, wie auf Bild A19 gezeigt. Innerhalb der Gabelholme treten Drücke bis zu 200 at (Überdruck) auf, der Stützring schützt die Dichtlippe vor starker Verformung in axialer Richtung. Verschleißwert des Radialdichtringes: etwa 30000 km.
    11. Filzring (2 Stck.), wirkt als Schmierreservoir. Auf Fremdkörper untersuchen, evtl. in Benzin auswaschen und wieder ölen.
    12. Federstützring aus Miramid (2 Stck.).
    13. Federkappe (2 Stck.), oben im Schutzbalg eingelegt.
    14. Druckfeder (progressiv, 2 Stck.), Federlänge (entspannt) 274 +5mm. Druck (P) bei 9 mm Vorspannung und 145 mm max. Federweg = 116,9 kp.
    15. Führungsrohr (2 Stck.), für gute Gleiteigenschaften und als Korrosionsschutz hartverchromt. 25µm Auflage. Durchmesser (Neuzustand) im Hauptarbeitsbereich (siehe Bild A19): 31,8 -0,01/-0,07 mm.
      Verschleißwerte: Durchmesser vor dem Verchromen (geschliffen): 31,7 -0,009/-0,02 mm.
    16. Gleitrohr (1 Stck. links, 1 Stck. rechts – Auchsaufnahme!) Bohrung im Neuzustand: 38,0 +0,05mm
      Verschleißwert: 0,03 mm

    Bild A21

    Zum Eindrücken des radialdichtringes D32x45x7 in den Gewindering das kombinierte Spezialwerkzeug 19-MW
    22-1 verwenden. Durch provisorische Hilfsmittel würde der Dichtring beschädigt bzw. der Gewindering
    deformiert und demzufolge nicht mehr dicht sein. Eingedrückt wird unter einer Handhebelpresse oder
    behelfsmäßig im Schraubstock – Schutzbacken (Alu- oder Kupferblech) zwischenlegen!

    Den Dichtring vorher leicht einölen.

    Dichtring und Stützring funktionsrichtig einsetzen – Bild A19 (8), (9) und (10) beachten.

    Bild A22

    Verbogene Führungsrohre (Unfallschäden) nicht richten, sie gehen unter Belastung wieder in die vorherige Lage
    zurück.

    Muß wegen Dichtlippenschaden ein neuer Radialdichtring eingesetzt werden, dann das betreffende Führungsrohr
    um 180° drehen. Deshalb bei der Demontage unbedingt die Führungsrohre markieren.

    Rohre mit durchgescheuerter Chromschicht sind wegen der höheren Verschleißerwartung und Korrosionsgefahr
    zu erneuern.

    Zulässiger Rundschlag der Führungsrohre (auf Prismen): 0,05 mm

    Die untere Führungsbuchse (1) mit den dazugehörenden Teilen so montieren, wie auf Bild A19 (1) bis (5)
    gezeigt. Zum Aufschieben des komplettierten Gewinderinges das Spezialwerkzeug 19-MW 7-4 ansetzen (2),
    damit die Dichtlippe nicht beschädigt wird.

    Vorher leicht einölen.

    Bild A23

    Die Führungsrohre (1) keinesfalls im Schraubstock einspannen. Sind doch kleine Druck- und Schlagstellen
    vorhanden, dann vor dem Aufschieben des Gewinderinges mit feinkörnigem Ölstein (Schmiergelfeile) in
    Arbeitsrichtung
    egalisieren.

    Die Gleitrohre (2) auswaschen und einwandfrei säubern. Irgendwelche Fremdkörper beschädigen die
    Gleitflächen!

    Das Gewinde wird mit etwas eingedicktem ‚Klarlack‘ eingestrichen, damit die Schraubverbindung druck- und
    öldicht wird. Nur mit dem kombinierten Spezialwerkzeug 19-MW 22-1 anziehen, sonst wird evtl. der
    Gewindering beschädigt. Drehmoment etwa 20kpm.

    Filzring, Federstützring, Druckfeder und Schutzbalg und Federkappe aufstecken – siehe Bild A19.

    Bitte beachten: Zum Abdichten der Gewinderinge und Verschlußschrauben nur ‚Klarlack‘ (also farblosen Lack)
    verwenden – nicht irgendein Kunstharz-Dichtmittel, mit dem sich die Schraubverbindungen nicht mehr lösen
    lassen!

    8.6 Gabelholme einbauen


    nächster Punkt ; Index

    Bild A24

    Das Oberteil des Führungsrohres etwas ölen, damit sich dieses leicht durch die Gummiringe im
    Scheinwerferhalter schieben läßt. Das Gewindeteil des kombinierten Spezialwerkzeuges 19-MW 22-1 (a) oben
    einschrauben und damit das Führungsrohr hochziehen – die Druckfeder bekommt etwa 9 mm Vorspannung! in
    dieser Stellung den Gabelholm festhalten und den Spezialschlüssel durch die Verschlußschraube ersetzen. Die
    vorher am Führungsrohr angebrachte Markierung berücksichtigen.

    Kotflügel und Vorderrad montieren, die Schrauben und Muttern jedoch noch nicht fest anziehen!

    8.7 Stoßdämpferfüllung kontrollieren


    nächster Punkt ; Index

    Bild A25

    Stoßdämpferfüllung 215 ccm ‚Globo‘-Stoßdämpferöl je Gabelholm

    Zur Kontrolle der Stoßdämpferfüllung ist ein Meßstab von 4 … 5 mm Dicke zu verwenden. Ölstand 260 mm
    hoch, dabei muß der Meßstab an der tiefsten Stelle – nicht auf dem Anschlagkonus stehen. Bild A19 beachten!
    Den Ölstand nur bei sichtbarem Ölverlust kontrollieren – diese Telegabel ist verhältnismäßig verschleißarm!

    Bild A26

    Damit beide Gabelholme absolut parallel zueinander stehen – um sich beim Einfedern nicht gegeneinander zu
    verklemmen – wird die Telegabel 5- bis 6mal kräftig durchgefedert. Die nachstehend erwähnten
    Schraubenverbindungen müssen dabei noch locker sein.

    Nur in folgender Reihenfolge wird anschließend festgezogen:

    1. Mutter der Steckachse und deren Klemmschraube (5 kpm).
    2. Beide Verschlußschrauben mit ‚Klarlack‘ einsetzen und mit 20 kpm festziehen.
    3. Beide Schrauben am unteren Klemmkopf mit 10 kpm festziehen.
    4. Nach dem Anziehen die Streben so nachrichten, daß die Schutzbälge nicht am Kotflügel scheuern.

    Anschließend nochmals kräftig durchfederen – die Gabel muß leichtgängig und öldicht sein!

    8.8 Kraftstoffbehälter, Sitzbank, Werkzeugbehälter


    nächster Punkt ; Index

    Bild A27

    Der Kraftstoffbehälter hängt vorn (seitlich) in Gummiblöcken. Hinten wird er durch 2 Schrauben (1) (Federring,
    Scheibe, Gummizwischenlage) gehalten. Nur die Originalscheiben (8,4 x 25) verwenden, sonst ist der
    Kraftstoffbehälter labil.

    Nach Lockern (etwa 3 Umdrehnungen) der vier Halteschrauben (2) kann die Sitzbank nach hinten abgezogen
    werden. Unter dem Vorderteil der Sitzbank ist Ruam für einen Reserveschlauch (Perfolbeutel!) o.ä.

    Das Sicherheitschloß (mit Gummikappe) am Werkzeugbehälter (3) schützt das Werkzeug vor unberechtigter
    ‚Entnahme‘.

    8.9 Schalldämpfer


    nächster Punkt ; Index

    Bild A28

    Für den Schalldämpfer mit flachem Endstück gelten die Hinweise im Hauptteil des Reparaturhandbuches (Bild
    153) vollinhaltlich. Der 90°-Versatz der beiden Düsen zu den Bohrungen im Endstück ist bei der neuen
    Ausführung gewährleistet, wenn die Schweißnaht von Mantelrohr und Schalldämpferendstück in einer Richtung
    stehen.

    Der Staudruck ist bei beiden Schalldämpferausführungen gleich. Die Änderung steht nicht im Zusammenhang
    mit der Leistungssteigerung.

    9 Federbeininstandsetzung


    nächster Punkt ; Index

    Siehe Hauptteil des Reparaturhandbuches

    10 Verzeichnis der Sonderwerkzeuge


    Index

    (Zusätzliche Spezialwerkzeuge für ETS und leistungsgesteigerte Motoren)

    1. 19-MW 22-1 Kombinierter Montageschlüssel
    2. 19-MW 7-4 Montagehülse für Radialdichtring
    3. 05-MV 209-4 Zentrierdorn für Ausgleichscheiben

    19-MW 22-1 Kombinierter Montageschlüssel
    nächste Zeichnung ; Liste

    19-MW 7-4 Montagehülse für Radialdichtring
    nächste Zeichnung ; Liste

    05-MV 209-4 Zentrierdorn für Ausgleichscheiben
    Liste